Как заработать свои первые деньги?
Слушайте больше на Подкасте Михалыча для молодежи
Таблица 11 - Масса груза, т, закрепляемого одной проволочной обвязкой
Количес- Тво нитей Проволоки в обвязке | Угол накло- на обвязки к полу вагона , град **) | Общая масса груза в вагоне, т *) | ||||
менее 10 | от 10 до 20 | от 20 до 30 | от 30 до 40 | свыше 40 | ||
45 | 0.63 | 0.71 | 0.83 | 1,00 | 1.11 | |
2 | 60 | 0.76 | 0.87 | 1.02 | 1.22 | 1.36 |
75 | 0.85 | 0.97 | 1.13 | 1.36 | 1.51 | |
90 | 0.89 | 1.02 | 1.18 | 1.42 | 1.58 | |
45 | 1.25 | 1.43 | 1.67 | 2.00 | 2.22 | |
4 | 60 | 1.54 | 1.76 | 2.05 | 2.46 | 2.73 |
75 | 1.71 | 1.96 | 2.28 | 2.74 | 3.04 | |
90 | 1.78 | 2.03 | 2.37 | 2.90 | 3.16 | |
45 | 1.88 | 2.14 | 2.50 | 3.00 | 3.33 | |
6 | 60 | 2.30 | 2.63 | 3.07 | 3.68 | 4.09 |
75 | 2.56 | 2.93 | 3.42 | 4.10 | 4.56 | |
90 | 2.65 | 3.03 | 3.53 | 4.24 | 4.71 |
*) для промежуточных значений углов массу груза принимать, исходя из результатов линейной интерполяции
15 Грузы с плоской опорой, близкие по значениям габаритных размеров и массы, могут устанавливаться в вагоне в 2-3 яруса ( рисунки 22, 23).
Такие грузы размещают одной или двумя группами с передачей нагрузки на торцевой порожек через упорный брусок или распорную раму. В верхнем ярусе такие грузы размещают в один или два ряда по ширине вагона.
Каждый штабель груза крепят обвязками. Каждый отдельно стоящий груз верхнего яруса должен крепиться двумя обвязками.
16 Допускается разновысокая уплотненная погрузка из крупных, средних и таких грузов с передачей продольных нагрузок на торцевой порожек вагона ( рисунок 23).
При этом у торцевых дверей размещают более высокие и тяжелые грузы. У торцевого порожка укладывают упорные бруски на всю ширину вагона.
В остальной части вагона грузы размещают с заполнением всей ширины кузова вагона, чередуя более высокие грузы со штабелями из грузов меньших размеров, укладывая их вперевязку.
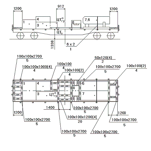
17 Пример разработки эскиза размещения и крепления грузов, погруженных в соответствии настоящей главы.
В качестве примера рассматривается погрузка восьми грузовых единиц, состоящие из пяти единиц груза и трех единицы оборудования на рамах (рисунок 24). Характеристика грузовых мест приведена на рисунке и в таблице 12.
Вначале проверяют соответствие предъявленных грузов требованиям, изложенным в пункте 3. настоящей главы.
По устойчивости от опрокидывания этим требованиям не удовлетворяют грузы позиций 2 и 5. Для перевозки этих грузов необходимо разработать чертеж погрузки и крепления.
Общая масса оставшихся грузов составляет 15,5 тонн.
При погрузке грузов одной группой длина группы составит 9500 мм, поэтому длина распорных брусков, которыми группа грузов будет упираться в торцовый борт платформы, составит: ()/2, т. е. 1900 мм. Распорные бруски такой длины устанавливать нерационально, грузы необходимо разделить на две группы.
Расчетная схема варианта погрузки с разделением грузов на две группы представлена на рисунке 24.
Вначале определяют положение общего центра массы груза ЦМ огр относительно продольной и поперечной осей платформы и сравнивают его с допустимыми значениями, приведенными в главе 1 настоящих ТУ.
Продольное смещение общего центра массы грузов :
![]()
Поперечное смещение ЦМ огр определяем по формуле:
![]()
Рассчитанные смещения общего центра массы груза находятся в пределах допустимых значений (см. главу 1настоящих ТУ).
Таблица 12
Номер груза | Тип грузо-вого места | Масса гру-за, т | Габаритные размеры груза, мм | Координаты центра тяжести груза, мм, по | Коэффициент устойчивости груза в направлении | |||||
длина | Ширина | Высота | длине l о пр | ширине bоп | высоте hцт | продольном
| поперечном
| |||
1 2 3 4 5 6 7 8 | Ящик Ящик Ящик Ящик Ящик Оборудование на раме Оборудование на раме Оборудование на транспортной платформе | 4,50 2,40 2,20 2,70 4,80 2,30 2,30 1,50 | 1800 2500 2900 2100 1600 3300 3300 1700 | 2600 1000 1200 1400 1600 1300 1300 1700 | 1500 1800 1000 1600 2000 1850 1850 1200 | 900 1250 1450 1050 800 1500 1500 850 | 1300 500 600 700 800 650 650 850 | 750 950 500 800 1000 1000 1000 800 | 1.20 1.39 2.90 1.31 0.80 1.50 1.50 1.06 | 3.40 1.04 2.40 1.70 1.60 1.30 1.30 2.10 |

Рисунок 24
Далее определяют положение общего центра массы платформы с грузом ЦТ о по высоте над уровнем верха головок рельсов (УГР):
![]()
Высота общего центра массы платформы с грузом не превышает допустимого значения 2300 мм (см. подпункт 5.5 настоящей главы).
Боковая наветренная площадь грузов 1, 4, 8, 6 за вычетом высоты бокового борта платформы составляет:

С учетом боковой наветренной площади платформы 13 м2 суммарная наветренная площадь вагона с грузом составляет 22,9 м2, что меньше допускаемой 50 м2 (см. пункт 3 настоящей главы).
Крепление грузов в продольном направлении целесообразно выполнить с использованием несущей способности торцовых бортов платформы. Согласно пункта 12 настоящей главы в этом случае в торцовые стоечные скобы устанавливают короткие деревянные стойки. Несущая способность торцового борта при общей массе груза на платформе 15,5 т принимается равной 7,1 т (см. таблицу 4).
Для крепления грузов используются распорные бруски сечением 100 х 100 мм. Количество брусков для передачи продольной нагрузки на торцовый борт платформы определяется, исходя из условия прочности упорных брусков, укладываемых у крайних грузов группы, на смятие. Согласно данных таблицы 3 для крепления группы грузов 1, 3, 4 позиций общей массой 9,4 т с каждой стороны необходимо установить не менее 3-х брусков, для группы из грузов 6, 7, 8 позиций общей массой 6,1 т - не менее 2-х брусков. Так как погрузка может производиться на платформы с дерево-металлическим настилом пола (металлический настил имеет ширину до 1200 мм и расположен по оси платформы) упорные бруски необходимо располагать по обе стороны металлического листа. Из условия симметричности для закрепления группы грузов 1, 3, 4 позиций применяются четыре бруска.
Так как торцовый борт платформы удерживает только 7,1 т массы грузов, дополнительное крепление грузов осуществляют за счет забивки гвоздей в бруски упорно-распорной конструкции между торцовыми бортом и группой грузов. Необходимое количество гвоздей определяем по таблице 6 на несущую способность 9,4 – 7,1 = 2,3 т, в расчете на один распорный брусок – 2,3/4=0,575 т. Такой несущей способности отвечает брусок, прибитый к полу платформы 4 гвоздями (см. вторую строку, второй столбец таблицы 5).
Распорные бруски в середине платформы должны обладать несущей способностью, отвечающей группе наиболее тяжелых грузов, т. е. 9,4 т. Несущая способность одного бруска должна составлять не менее 9,4/4=2,35 т. Такой несущей способности отвечает брусок, прибитый к полу платформы 20 гвоздями (см. часть таблицы 5 для случая двухрядной забивки гвоздей четвертый столбец, вторая строка). Гвозди должны забиваться в два ряда, т. к. длина распорного бруска не превышает 1200 мм.
Распорная конструкция в правой стороне платформы выполняет только функцию передачи продольной нагрузки на торцовый борт платформы, Т. к. несущая способность торцового борта 7,1 т больше суммарной массы группы из грузов 6, 7, 8, позиций следовательно, бруски распорной конструкции только фиксируются на полу вагона, при этом каждый брусок прибивают не менее, чем 4 гвоздями.
В поперечном направлении закрепляем только груз 8 позиции. Согласно общих требований с каждой стороны груза устанавливаем в распор по два распорных бруска, каждый брусок прибивается к полу вагона 2 позиция гвоздями.
Груз 8 необходимо закрепить фиксирующей обвязкой, т. к. его коэффициент запаса устойчивости от опрокидывания менее 1,25. Обвязка выполняется из проволоки диаметром 6 мм в две нити.
Разработанный эскиз погрузки и крепления грузов представлен на рисунке 25.
Пример оформления эскиза погрузки грузов по настоящей главе в соответствии с требованиями главы 1 настоящих ТУ (приложение № 5) приведен на рисунке 26.

Рисунок 25
Рисунок 26
18 Положения настоящей главы не распространяются на условия размещения и крепления в вагонах металлопродукции (например, продукции черной металлургии в виде полуфабрикатов - блюмсов, слябов, - отливок, сортового и листового проката, труб, проволоки), железобетонных изделий, техники на гусеничном и колесном ходу, универсальных и специализированных контейнеров.
|
Из за большого объема этот материал размещен на нескольких страницах:
1 2 3 4 5 |



