Научно-популярное издание
В ПОМОЩЬ РАДИОЛЮБИТЕЛЮ
Выпуск 100
Издательство ДОСААФ СССР, 1988
Радиоспорт
В. Поляков (RA3AAE)
ЛЮБИТЕЛЬСКИЙ РАДИОПРИЕМНИК НА 160 М
— доцент кафедры физики Московского ордена Ленина института инженеров геодезии, аэрофотосъемки и картографии, кандидат технических наук, родился в 1940 году. Уже в девять лет собрал свою первую радиоконструкцию — детекторный приемник, а в двенадцать — ламповый усилитель. Учась в старших классах, освоил супергетеродинный приемник, смонтировал телевизор. Затем — учеба в Московском физико-техническом институте, увлечение магнитной записью, работа на коллективной радиостанции, постройка личной радиостанции. Его позывной RA3AAE сегодня известен радиоспортсменам всех континентов. Он — автор 10 изобретений, 100 публикаций, в том числе нескольких книг.
Более десяти лет назад в журнале «Радио» было опубликовано описание приемника коротковолновика-наблюдателя [1 — 4], выполненного по супергетеродинной схеме на широкодоступных деталях. Многие радиолюбители начали свой путь в эфир с его постройки.
Сегодня, когда радноспортсмены получили новый диапазон — 160 м, а также стали более доступными многие совершенные радиодетали, автор предлагает читателям новую разработку приемника, рассчитанного на работу именно в этом диапазоне.
Структурная схема приемника не изменилась — это тоже супергетеродин с одним преобразованием частоты и детектором смесительного типа. Но благодаря использованию полевых транзисторов и электромеханического фильтра (ЭМФ) в тракте приема в работе он практически не уступает более сложным приемникам современных любительских радиостанций.
Чувствительность составляет единицы микровольт, что на диапазоне 160 м достаточно для приема весьма удаленных радиостанций, а селективность определяется ЭМФ и достигает 60...70 дБ при расстройке на 3 кГц выше или ниже полосы пропускания. Реальная же селективность (способность приемника противостоять помехам от мощных радиостанций, частота которых может и не совпадать с частотой настройки приемника) значительно повышена благодаря применению в смесителе двухзатворного полевого транзистора с линейными характеристиками.
Разберем устройство и работу приемника по его принципиальной схеме, приведенной на рис. 1. Приемник состоит из смесителя на транзисторе VT1, первого любительского радиоприемника гетеродина на транзисторе VT2, усилителя промежуточной частоты (УПЧ) на транзисторе VT3 и микросхеме DA1, детектора смесительного типа на транзисторе VT4, второго гетеродина на транзисторе VT5, усилителя звуковой частоты (УЗЧ) на микросхеме DA2 и транзисторах VT6, VT7.
Входной сигнал любительского диапазона 160 м (полоса частот 1830...1930 кГц) поступает от антенны (ее подключают в гнездо XS1 или XS2) на входной двух-контурный полосовой фильтр, образованный катушками индуктивности L1, L2 и конденсаторами СЗ, С2, С4. Для подключения высокоомной антенны в виде отрезка провода длиной значительно меньше четверти длины волны служит гнездо XS1, соединенное с первым контуром (L1C3) входного фильтра через конденсатор С1. Низко-рмную антенну (четвертьволновый «луч» длиной около 40 м, диполь или «дельта» с фидером из коаксиального кабеля) подключают через гнездо XS2 к отводу контурной катушки L1. Противовес, заземление или оплетку фидера антенны подключают к гнезду XS3, соединенному с общим проводом приемника. Способ подключения каждой антенны подбирают экспериментально по максимальной громкости и качеству приема. При смене антенн может понадобиться некоторая подстройка контура L1C3.

Рис. 1. Принципиальная схема
Двухконтурный входной фильтр обеспечивает хорошую избирательность по зеркальному каналу приема, а также практически устраняет перекрестные помехи от мощных средневолновых радиовещательных станций. Выделенный фильтром сигнал подается на первый затвор полевого транзистора VT1. На второй его затвор поступает через конденсатор С5 напряжение гетеродина. Делитель R1R2 задает необходимое напряжение смещения на этом затворе. Сигнал промежуточной частоты (500 кГц), являющийся разностью частот гетеродина и сигнала, выделяется в цепи стока смесителя контуром, образованным индуктивностью обмотки ЭМФ Z1 и конденсатором С9.
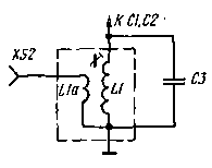
Первый гетеродин приемника выполнен по схеме индуктивной трехточки на транзисторе VT2. Контур гетеродина составлен из катушки индуктивности L3 и конденсатора С7. Частоту гетеродина можно перестраивать в диапазоне 2330...2430 кГц конденсатором переменной емкости Сб. Резисторы R4 и R5 определяют режим работы транзистора по постоянному току. Развязывающие цепочки R3C10 и R5C13 защищают общую цепь питания от попадания в нее сигналов гетеродина и промежуточной частоты.
Основную селекцию сигналов в приемнике выполняет ЭМФ Z1 с полосой пропускания 3 кГц. С его выходной обмотки, настроенной конденсатором С11 в резонанс на промежуточную частоту, сигнал поступает на усилитель ПЧ. Он выполнен на полевом транзисторе VT3 и микросхеме (каскодном усилителе) DA1. Общее усиление получается достаточно большим, и для выбора его оптимального значения в цепь истока транзистора VT3 включен регулятор — подстроечный резистор R8. При увеличении его сопротивления уменьшается ток через транзистор, а с ним и крутизна переходной характеристики. Одновременно возрастает отрицательная обратная связь, и усиление уменьшается.
Высокое входное сопротивление первого каскада УПЧ на полевом транзисторе позволило получить минимально возможное затухание сигнала в ЭМФ основной селекции.
Чтобы избежать перегрузки УПЧ сильными сигналами, применена простейшая цепь автоматической регулировки усиления (АРУ). Напряжение ПЧ с выходного контура L4C17 подается через конденсатор связи С16 на параллельный диодный детектор (диод VD1). Про-детектированное напряжение отрицательной полярности поступает через сглаживающую цепочку R7C12 на затвор транзистора VT3 и подзакрывает его, уменьшая тем самым усиление. Время срабатывания системы АРУ определяется постоянной времени R7C12, а время отпускания — постоянной времени R6C12 и составляет соответственно 10 и 50 мс.
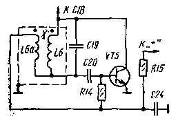
Усиленный сигнал ПЧ с контура L4C17 поступает через катушку связи L5 на детектор, выполненный на полевом транзисторе VT4. Сигнал второго гетеродина частотой около 500 кГц поступает на затвор этого транзистора через цепочку C18R12, создающую необходимое отрицательное напряжение смещения благодаря детектированию напряжения гетеродина р-n переходом затвора транзистора. Положительные полуволны напряжения гетеродина открывают транзистор, и сопротивление его канала (промежутка исток — сток) становится малым. Отрицательные полуволны закрывают транзистор, и сопротивление канала резко возрастает. Таким образом транзистор работает в режиме управляемого активного сопротивления. В цепи его канала образуется ток биений со звуковыми частотами, равными разности частот сигнала и гетеродина. Спектр однополосного сигнала переносится с ПЧ в область звуковых частот. Сигнал 34, сглаженный конденсатором С21, поступает на регулятор громкости R11, а с движка его — на усили
Второй гетеродин приемника выполнен на транзисторе VT5 по такой же схеме, что и первый. Нередко в подобных приемниках во втором гетеродине используют кварцевый резонатор на 500 кГц. Это удобно, но удорожает приемник. В то же время стабильность частоты обычного LC генератора на данной частоте оказывается вполне достаточной по сравнению с кварцевой. Кроме того, появляется возможность использовать широкий ассортимент ЭМФ и подстроить второй гетеродин под любой из них.
Усиливыполнен на микросхеме DA2 (двух-каскадный усилитель напряжения) и транзисторах VT6, VT7 (составной эмиттерный повторитель). Цепочка R13C23 на входе УЗЧ служит для подавления сигнала ПЧ. Диод VD2, через который протекает коллекторный ток второго транзистора микросхемы, задает некоторое начальное смещение на базах выходных транзисторов. Это уменьшает искажения типа «ступенька».
Низкое выходное сопротивление составного эмиттер-ыого повторителя позволяет подключать к приемнику как высокоомные, так и низкоомные головные телефоны и даже динамическую головку со звуковой катушкой сопротивлением не менее 4 Ом. При использовании динамической головки емкость разделительного конденсатора С27 нужно увеличить до 50мкФ, чтобы избежать чрезмерного ослабления низших частот.
Для питания приемника подойдет любой сетевой блок питания, обеспечивающий напряжение 9...12 В при токе до 40...50 мА. Правда, такой ток приемник потребляет лишь при максимальной громкости звучания подключенной к его выходу динамической головки. В режиме же покоя или при работе на высокоомные головные телефоны приемник потребляет не более 10 мА. Поэтому с такой нагрузкой питать приемник можно от батареи гальванических элементов или аккумуляторов общим напряжением около 9 В. В любом варианте питающее напряжение подают на гнезда XS6, XS7 в указанной на схеме полярности.
Теперь о деталях приемника и их возможной замене. Транзистор VT1 может быть любой из серий КП306, КП350. Для некоторых из этих транзисторов может потребоваться подача небольшого положительного напряжения смещения на первый затвор. Тогда в цепь его устанавливают разделительный конденсатор емкостью 75...200 пФ и два резистора сопротивлением 100 кОм...1 МОм по схеме, аналогичной схеме цепи второго затвора. Подбором резисторов добиваются тока стока 1...2 мА.
Для гетеродинов подойдут транзисторы КТ306, КТ312, КТ315, КТ316 с любыми буквенными индексами. Полевые транзисторы УПЧ и второго смесителя могут быть любые из серий КПЗОЗ, однако при использовании транзисторов с большим напряжением отсечки (буквенные индексы Г, Д и Е) последовательно с резистором R8 в цепь истока полезно включить постоянный резистор сопротивлением 330...470 Ом, зашунтировав его конденсатором емкостью 0,01...0,1 мкФ. В этих каскадах можно также использовать транзисторы с изолированным затвором серии КП305.
Микросхема КН8УН2Б (старое обозначение К1УС182Б) заменима на К1УС222Б, а К118УН1Д (К1УС181Д) — на К1УС221Д или другие микросхемы этих серий. В качестве выходных подойдут любые германиевые низкочастотные маломощные транзисторы соответствующей структуры. На месте VD1 и VD2 могут быть установлены маломощные германиевые диоды, например серий Д2, Д9, Д18, Д20, ДЗИ.

Рис. 2. Каркас катушек индуктивности
Для описываемого приемника подойдет любой ЭМФ со средней частотой 460...500 кГц и полосой пропускания 2,1...3,1 кГц. Это может быть, скажем, ЭМФг11Д-500-3,0 или ЭМФ-9Д-500-3,0 с буквенными индексами В, Н, С (например, ЭМФ-ЦД-500-3,ОС, использованный автором). Буквенный индекс указывает, какую боковую полосу относительно несущей выделяет данный фильтр — верхнюю (В) или нижнюю (Н), или же частота 500 кГц приходится на середину (С) полосы пропускания фильтра. В нашем приемнике это не имеет значения, поскольку при налаживании частоту второго гетеродина устанавливают на 300 Гц ниже полосы пропускания фильтра, и в любом случае будет выделяться верхняя боковая полоса.
Возможно, у читателя возникнет вопрос: почему ЭМФ в приемнике должен выделять верхнюю боковую полосу, тогда как любительские радиостанции в диапазоне 160 м работают с излучением нижней боковой полосы? Дело в том, что при преобразовании частоты в данном приемнике спектр сигнала инвертируется, поскольку частота гетеродина установлена выше частоты сигнала, а промежуточная частота образуется как их разность.
Для катушек индуктивности использованы готовые каркасы с подстроечниками и экранами от контуров ПЧ малогабаритных транзисторных радиоприемников (в частности, от радиоприемника «Альпинист»). Эскиз такого каркаса приведен на рис. 2. После намотки катушки в секциях на каркас 3 надевают цилиндрический магнитопровод 2, а внутрь каркаса ввинчивают подстро-ечник 1. Затем эта конструкция заключается в алюминиевый экран размерами 12x12x20 мм.
Можно использовать каркасы с другим магнитопро-водом и экраном. Число витков катушек в этом случае уточняют экспериментально. Например, при намотке катушек в броневых сердечниках СБ-9 число витков следует уменьшить на 10 %.
Наматывают катушки суррогатным «литцендра-том» — четырьмя слегка скрученными проводниками ПЭЛ 0,07. Удобно использовать тот провод, которым были намотаны использованные катушки от контуров ПЧ. Лишь катушку первого гетеродина (L3) можно намотать одножильным проводом ПЭЛ 0,17...0,25. При намотке витки катушек равномерно распределяют по секциям каркаса. Катушку связи L5 наматывают поверх контурной L4. Катушки входных контуров L1 и L2 содержат по 62 витка, отвод у L1 сделан от 15-го витка, считая от нижнего по схеме вывода. Катушка L3 содержит 43 витка с отводом от 9-го витка, также считая от нижнего по схеме вывода.

Рис. 3. Включение контура ПЧ в гетеродине Рис. 4. Включение контура ПЧ на входе приемника
Контур ПЧ с катушками L4 и L5 использован готовый, без переделки. Его катушка L4 содержит 86 витков провода ЛЭ 4X0,07, a L5 — 15 витков одножильного провода ПЭЛШО 0,07...0,1.
Катушка второго гетеродина L6 содержит 86 витков ЛЭ 4X0,07 с отводом от 15-го витка. Здесь можно использовать готовую катушку контура ПЧ с катушкой связи, включив их по схеме на рис. 3 (L6 контурная катушка, L6a — катушка связи). При монтаже нужно строго соблюдать полярность подпайки выводов, иначе гетеродин не возбудится.
Если возникнут трудности с намоткой входных катушек, их можно заменить контурами ПЧ. Емкость конденсаторов входного фильтра при этом уменьшается: С1 — до 10 пФ, С2 — до 1...1.5 пФ, СЗ и С4 — до 75 пФ. Правда, фильтр при этом получится не совсем оптимальным, поскольку контура будут обладать высоким характеристическим сопротивлением, но работать приемник будет вполне удовлетворительно. Катушка связи первого контура (Lla) используется в таком варианте для подключения низкоомной антенны (рис. 4), катушка связи второго контура не используется.
Постоянные резисторы — любого типа мощностью рассеивания 0,125 или 0,25 Вт. Регулятор громкости R11 — переменный резистор СП-1,, желательно с функциональной характеристикой В, а регулятор усиления (подстроечный резистор R8) — СП5-16Б либо другой малогабаритный.
Конденсатор настройки С6 — подстроечный с воздушным диэлектриком (типа КПВ), содержащий 5 статор-ных и 6 роторных пластин. Число пластин подобрано экспериментально для получения диапазона перестройки ровно 100 кГц. При большем диапазоне затрудняется настройка на SSB станции — ведь в приемнике нет верньера. При отсутствии такого конденсатора можно использовать малогабаритный КПЕ транзисторного радиовещательного приемника, включив последовательно с ним «растягивающий» конденсатор емкостью 40пФ. Конечно, конденсатор настройки полезно было бы оснастить простейшим верньером с замедлением 1:3...1:10.
Постоянные конденсаторы малой емкости, используемые в высокочастотных цепях (С1 — С9, СИ, С14, С16 — С20), — керамические, типа КД, КТ, КМ, КЛГ, КЛС, К Ю-7 или подобные. Подойдут также слюдяные спрессованные конденсаторы КСО и пленочные ПО или ПМ. Конденсатор С2 можно выполнить в виде отрезка провода ПЭЛ 0,8...1,0 (одна обкладка) с намотанными на нем 10...15-ю витками провода ПЭЛШО 0,25 (другая обкладка). Емкость получившегося конденсатора легко подбирать, отматывая или доматывая витки провода. После настройки витки закрепляют клеем или лаком.
В колебательных контурах приемника, особенно гетеродинных, желательно установить конденсаторы с малым температурным коэффициентом емкости (ТКЕ) — групп ПЗЗ, М47 или М75. Остальные конденсаторы, в том числе и оксидные (электролитические), могут быть любого типа.
Следует отметить, что емкость многих конденсаторов можно изменять в широких пределах без ухудшения качества работы приемника. Так, конденсаторы С14 и С16 могут быть емкостью 500...3300 пФ, С21 и С23 — 2пФ, СЮ, С12, С13, C15, C24 — 0.01..Д5 мкФ. Емкость оксидных конденсаторов может отличаться в 2...3 раза от указанной на схеме.
Конденсатор С26 сравнительно большой емкости полезен при питании приемника от сильно разряженной батареи с высоким внутренним сопротивлением, а также от выпрямителя с недостаточной фильтрацией пульсирующего выпрямленного напряжения. В остальных случаях его емкость можно уменьшить до 50 мкФ.

Рис. 5. Печатная плата приемника
При отсутствии необходимых деталей в приемнике могут быть некоторые изменения. Можно отказаться, например, от системы АРУ, исключив детали С16, VD1, R6, R7, С12. Нижний по схеме вывод выходной обмотки ЭМФ соединяют в этом случае с общим проводом. Регулятор усиления по ПЧ в приемнике без АРУ лучше вынести на переднюю панель, а чтобы длинный провод к регулятору не был подвержен наводкам, на плате приемника следует установить блокировочный конденсатор, соединяющий исток транзистора VT3 с общим проводом. Емкость его может быть 0,01...0,5 мкФ.

Рис. 6. Резак для изготовления печатной платы
Если приемник будет работать только с высокоомны-ми телефонами, можно исключить выходной каскад — транзисторы VT6, VT7 и диод VD2. Выводы 9 и 10 микросхемы DA2 в этом случае соединяют вместе и подключают к конденсатору С27, емкость которого можно уменьшить до 0,5 мкФ.
Все детали приемника, кроме гнезд, переменного резистора, конденсатора переменной емкости, смонтированы на плате (рис. 5) из одностороннего фолугирован-ного стеклотекстолита. Схема соединений составлена под микросхемы серии КП8, но переделки не потребуется при использовании микросхем серии К122 — их гибкие выводы пропускают в имеющиеся отверстия в соответствии с цоколевкой микросхем. Для повышения стабильности работы приемника и устойчивости к самовозбуждению площадь фольги, образующей общий провод, оставлена максимальной.

Рис. 7. Чертежи шасси и крышки приемника
Печатный монтаж можно выполнить по любой технологии — вытравить, прорезать канавки ножом или резаком. В последнем варианте удобно пользоваться специально заточенным резаком из отрезка ножовочного полотна (рис. 6). Изолирующие канавки в фольге прорезают, часто покачивая инструмент из стороны в сторону и относительно медленно продвигая вперед. При некотором навыке плата «гравируется» таким способом довольно быстро.

Рис. 8. Расположение деталей на шасси
При монтаже полевых транзисторов следует соблюдать меры по их защите от пробоя статическим электричеством и напряжениями наводок. Выводы транзисторов перемыкают между собой тонким гибким проводником, который удаляют после распайки выводов на плате. Корпус паяльника соединяют проводником с общим проводом платы. Желательно использовать низковольтный паяльник, питающийся от сети через понижающий трансформатор. Непосредственно при пайке выводов транзистора VT1 вилку питания паяльника желательно вынимать из сетевой розетки.
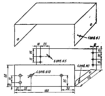
Печатную плату укрепляют на шасси приемника (рис. 7), изготовленном из мягкого дюралюминия толщиной 2 мм. На передней панели (она закрыта декоративной накладкой) укреплены конденсатор переменной емкости С6, регулятор громкости R11 и гнезда XS4, XS5. Остальные гнезда, регулятор усиления R8 размещены на задней стенке шасси. П-образная крышка шасси изготовлена из более тонкого полужесткого дюралюминия. Расположение платы и деталей на шасси показано на рис. 8, а внешний вид готового приемника — на рис. 9.

Рис. 9. Внешний вид приемника
Конструкция корпуса (шасси) может быть и иной, важно лишь соблюсти следующие правила: конденсатор настройки расположить возможно ближе к катушке первого гетеродина, гнезда антенн — около входных контуров, а регулятор усиления — около транзистора VT3. Регулятор громкости и телефонные гнезда можно расположить в любом месте, но если длина соединительных проводников к ним составит несколько сантиметров, следует применить экранированный провод, оплетку которого соединить с общим проводом чплаты и с шасси. Перед налаживанием приемника нужно тщательно проверить монтаж и устранить ошибки. Затем, включив приемник, проверить авометром режимы работы транзисторов и микросхем. Напряжение на эмиттерах выходных транзисторов (VT6 и VT7) должно составлять около 5,5 В (все значения указаны для напряжения питания 9 В). Работоспособность усилипроверяют, прикоснувшись пинцетом к правому по схеме выводу резистора R13, — в головных телефонах должен прослушиваться фон переменного тока.
Напряжение на стоке транзистора VT3 должно изменяться от 2...5 В до 8,5 В при перемещении движка под-строечного резистора R8. Ток транзистора VT1 определяют, измерив напряжение на резисторе R3, — оно должно составлять 0,3...! В, что соответствует току 0,8...2,5 мА. При недостаточном токе придется подать смещение на первый затвор, как описано выше, а при излишнем — увеличить сопротивление резистора R1.
Работоспособность гетеродинов проверяют, присоединив щупы авометра к выводам конденсаторов С13 или С24. Напряжение на них должно составлять 5...7 В. Замыкание выводов катушек L3 и L6 должно вызывать уменьшение напряжения на 0,5...1,5 В, что укажет на наличие генерации. При отсутствии генерации следует искать неисправную деталь (обычно ей оказывается катушка индуктивности или транзистор).
Все вышеописанные операции удобно выполнить до установки платы на шасси приемника. Конденсатор настройки С6 и регулятор громкости при этом можно не подключать.
Дальнейшее налаживание сводится к настройке контуров приемника на нужные частоты. При этом желательно пользоваться хотя бы простейшим генератором стандартных сигналов (ГСС). Установив плату на шасси и выполнив недостающие соединения, подают (через конденсатор емкостью 20...1000 пФ) с ГСС на затвор транзистора VT3 немодулированный сигнал частотой 500 кГц. Контур ПЧ L4C17 настраивают по максимуму напряжения АРУ, которое измеряют авометром на конденсаторе С12. Амплитуду выходного сигнала ГСС следует поддерживать такой, чтобы напряжение АРУ не превышало 0,5...! В. Регулятор усиления R8 при этом устанавливают в положение, при котором напряжение на стоке транзистора VT3 составляет 5...6 В. Второй гетеродин подстраивают до получения биений — громкого свистящего звука в телефонах, подключенных к выходу усилиКонтур L4C17 можно настроить и по максимальной громкости биений.
Подав сигнал ГСС через тот же конденсатор связи на первый затвор транзистора VT1 (входной контур отключать не нужно), настраивают ГСС на среднюю частоту полосы пропускания ЭМФ и подбирают емкость конденсаторов С9 и СП по максимуму напряжения АРУ или по максимальной громкости тона биений на выходе приемника. Одновременно подстроечником катушки L6 следует установить частоту второго гетеродина вблизи нижней граничной частоты полосы пропускания ЭМФ. Если использован фильтр ЭМФ-9Д-500-3,ОВ, а генератор перестраивается от частоты 500 кГц и выше, низкий тон биений должен появляться при частоте 500,3 кГц, затем тон должен повышаться и исчезать при частоте 503 кГц. В случае использования другого фильтра частоты настройки ГСС соответственно сдвинутся, но картина явлений останется прежней.
Последний этап налаживания — настройка контуров первого гетеродина и входного фильтра. Подав с ГСС сигнал частотой 1880 кГц на гнездо XS2, настраивают на эту частоту приемник — вращением подстроечника катушки L3. Ротор конденсатора настройки Сб при этом должен находиться в среднем положении. Подстроечни-ками катушек L1 и L2 устанавливают максимальную громкость приема.
В заключение измеряют диапазон перестройки приемника (он должен охватывать весь любительский диапазон 160 м) и проверяют уменьшение чувствительности на краях диапазона. Если оно не превышает 1,4 раза, полоса пропускания входного фильтра достаточна. В противном случае для ее расширения несколько увеличивают емкость конденсатора связи С2. Окончательно подстраивают входные контура приемника и устанавливают оптимальное усиление по ПЧ при приеме сигналов любительских станций.
В случае отсутствия ГСС тракт ПЧ настраивают по максимуму шума на выходе приемника, а частоту второго гетеродина устанавливают по тону этого шума. При настройке второго гетеродина на центр полосы пропускания ЭМФ шум имеет наиболее низкий тон.
На этом этапе настройки следует убедиться, что основная доля шума поступает с первого каскада на транзисторе VT1. С этой целью замыкают выводы входной обмотки ЭМФ (к ним припаян конденсатор С9) — громкость шума должна значительно уменьшиться. По максимуму шума подбирают конденсаторы С9 и СП, установив движок резистора R8 в положение максимального усиления.
Контур гетеродина и входные контура настраивают при приеме любительских станций. Чтобы обнаружить их, антенну можно подключить через конденсатор емкостью 20...40 пФ к первому затвору транзистора VT1. Установив диапазон приемника подстроечником катушки L3, подстраивают контур L2C4 по максимальной громкости приема, а затем, переключив антенну в гнездо XS2, окончательно подстраивают оба контура входного фильтра. Уточнить установку частоты второго гетеродина можно, найдя в эфире немодулированную несущую и перестраивая приемник конденсатором С9. При уменьшении его емкости приемник перестраивается вверх по частоте, и тон биений должен появляться с частотой около 300 Гц и пропадать с частотой около 3 кГц. Усиление по ПЧ устанавливают подстроенным резистором R8 таким, чтобы собственный шум приемника негромко прослушивался без антенны, а при подключении наружной антенны длиной не менее 10 м заметно возрастал — это и будет признаком достаточной чувствительности приемника.
При испытаниях этот радиоприемник в вечернее время принимал на комнатную антенну сигналы многих любительских радиостанций, расположенных в европейской и азиатской частях СССР, включая Карелию, Прибалтику, Закавказье, Поволжье и Западную Сибирь.
Литература
1. Приемник коротковолновика-наблюдателя. — Радио, 1976, № 2, с. 49 — 52.
2. П о л я к о з В. Усовершенствование приемника коротковолновика-наблюдателя. — Радио, 1976, № 7, с. 55, 56.
3. Полосовые фильтры на входе приемника коротковолновика-наблюдателя. — Радио, 1976, № 10, с. 56.
4. , Поляков коротких волн. — М.: ДОСААФ, 1978.
Научно-популярное издание
В ПОМОЩЬ РАДИОЛЮБИТЕЛЮ
Выпуск 100
Издательство ДОСААФ СССР, 1988
Дорогие читателя!
Более трех десятилетий назад на прилавках магазинов появился первый выпуск сборника «В помощь радиолюбителю». Год от года росла его популярность: тираж вырос почти в 10 раз, а публикуемые материалы отражали рост профессионального мастерства радиолюбителей, связанный с развитием радиотехники в целом.
Все новое, интересное, как правило, сразу же появлялось на страницах сборника. На смену ламповым приходили транзисторные конструкции, вслед за ними — устройства на интегральных микросхемах.
В сборнике публиковались описания звукоусилительной техники, радиоприемников, спортивной аппаратуры, электро - и цветомузыкальных устройств, приборов автоматики, выпрямителей и стабилизаторов, конструкции для учебных организаций ДОСААФ и народного хозяйства.
Многие пионеры и школьники делали первые шаги в электронике, пользуясь выпусками нашего сборника. Позже они избрали электронику своей профессией.
И сегодня, отмечая выход в свет 100-го сборника «В помощь радиолюбителю», Издательство ДОСААФ СССР надеется, что и в дальнейшем он принесет пользу большой армии радиолюбителей, будет способствовать пополнению ее рядов.
Рецензент
В помощь радиолюбителю: Сборник. Вып. 100/ С80 Сост. . — М.: ДОСААФ, 1988. — 95 с., ил.
35 к.
В юбилейном выпуске сборника приведены описания конструкций, выполненных наиболее опытными авторами, завоевавшими широкую популяряость среди радиолюбителей.
Для радиолюбителей с различным уровнем подготовки.
— 005 ББК 32.884.19
В--13 — 88 6Ф2.9
072(02) — 88
Научно-популярное издание
В ПОМОЩЬ РАДИОЛЮБИТЕЛЮ
Выпуск 100
Составитель БОРИС СЕРГЕЕВИЧ ИВАНОВ
Заведующий редакцией А. В. К уценко.
Редактор .
Художник .
Художественный редактор Т. А. Xитрова.
Технический редактор .
Корректор .
ИБ № 000
Сдано в набор 22.04.87г. Подписано в печать 25.09.87. Г-13873. Формат 84X108 1/32.
Бумага тип. № 2. Гарнитура литерат. Печать высокая. Усл. п. л. 3,04. Усл.
кр.-отт. 5,46. Уч.-изд. л. 4,89. Тираж 900000 экз. (1-ый з-д 1 — 460000).
Зак. 7 — 1356. Цена 35 к. Изд. № 2/г — 473.
Ордена «Знак Почета» Издательство ДОСААФ СССР. Москва, Олимпийский просп., 22.
Головное предприятие республиканского производственного объединения «По-лиграфкнига», Киев, ул. Довженко, 3.
OCR Pirat



