Расширители импульсов
http://articles. chipfind. /art/24/
В системах передачи информации для ослабления влияния случайных флуктуаций, а также для управления в устройствах автоматики нередко требуется из коротких импульсов получать более широкие, определенной длительности. Эта задача легко реализуется с помощью ждущего мультивибратора (одновибратора). Одновибратор является триггерной схемой, которая генерирует одиночный импульс под действием внешнего управляющего сигнала. При этом подразумевается, что формируемый импульс превышает длительность запускающего.
Как правило, применяют один из двух методов формирования импульса: аналоговый или цифровой. Наиболее простым является аналоговый — используется процесс перезаряда конденсатора.

Рис. 1.9 Формирователь широкого импульса с использованием триггера Шмитта
Пример такой схемы показан на рис. 1.9. Для правильной работы данного одновибратора необходимо, чтобы длительность входного запускающего импульса была достаточно большой, чтобы конденсатор успел полностью разрядиться. После окончания запускающего импульса конденсатор заряжается через резистор до величины напряжения питания. При этом, как только напряжение достигнет Uпор — элемент D2.1 переключится. В этом случае длительность выходного импульса (tи) зависит от номиналов установленных емкости и резистора во времязадающей цепи. Упрощенная формула позволяет ориентировочно рассчитать длительность импульса:
, где Е — напряжение питания схемы; Uпор - уровень используемого порога (рис. 1.10) для переключения элемента.

Рис. 1.10. Области допустимых уровней сигнала на входе МОП микросхем
С учетом разброса значений напряжения порога переключения (Uпор) длительность импульса может принимать значения от tмин=0,4RC до tмax=1,11RC. Обычно в одновибраторах используются ЛЭ из одного корпуса (кристалла). В этом случае разброс Unop оказывается незначительным и можно принять tи=0,69RC. Это соотношение используется для определения длительности импульса в большинстве схем, рис. 1.11...1.18. Эпюры напряжения поясняют процессы формирования выходного импульса. Схемы, показанные на одном рисунке, являются аналогичными по логике работы и имеют ту же самую диаграмму напряжений в контрольных точках.
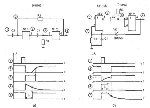
Рис. 1.11. Одновибратор с одной времязадающей цепью
Рис. 1.12. Одновибратор на основе RS-триггера
Рис. 1.13. Одновибратор по фронту входного сигнала
Рис. 1.14. Одновибратор
Рис. 1.15. Формирователи импульса после окончания
действия запускающего сигнала
Рис 1.16 Формирователи импульсов
Рис 1.17 Формирователи импульсов
Рис. 1.18 Одновибраторы с двумя времязадающими цепями
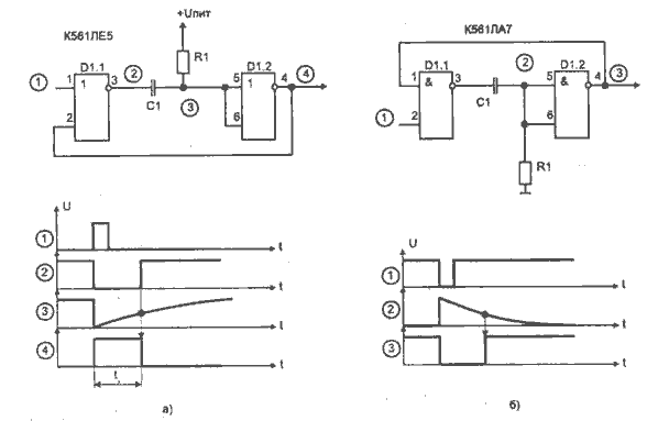
В отличие от простейшего варианта (рис 1.9) схемы, приведенные на рис. 1.11...1.14 не чувствительны к длительности входного импульса, из-за чего наиболее широко применяются в аппаратуре. Схемам, рис. 1.9, 1.15...1.17, присуще свойство перезапуска, т. е. если во время формирования выходного импульса появляется очередной запускающий, то отсчет длительности формируемого импульса начнется заново от момента окончания последнего запускающего.
Применяемые в схемах диоды ускоряют процесс перезаряда емкости, что уменьшает возможности возникновения импульсных помех на выходе ЛЭ.
Чтобы выходное сопротивление ЛЭ не сказывалось на точности расчета, а также не перегружался выход, резистор R1 должен быть номиналом не менее 10кОм. Чтобы пренебречь при расчетах емкостью монтажа, минимальная емкость С1 может быть 200пФ. Для получения высокой температурной стабильности временного интервала номинал R1 должен быть < 200 кОм, а конденсатор не более 1, 5 мкФ. Использование электролитических конденсаторов увеличивает нестабильность временного интервала.
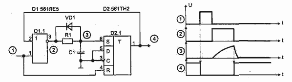
Для уменьшения влияния разброса значений Unop на длительность формируемого импульса можно воспользоваться схемами с двумя времязадающими цепями (рис.Если постоянные времени обеих времязадающих цепей одинаковы, то при максимальном разбросе значений Unop от 0, 33Uпит до 0,69Uпит изменение длительности формируемого импульса не превышает 9%. Выполнение одновибраторов на RS-триггере, рис.и 1. 20, дает возможность иметь два раздельных входа запуска (по переднему фронту импульса), а также сразу получать на выходах прямой импульс и импульс с инверсией. Еще одним преимуществом одновибраторов на RS-триггерах является возможность осуществлять запуск от медленно меняющегося входного напряжения. 
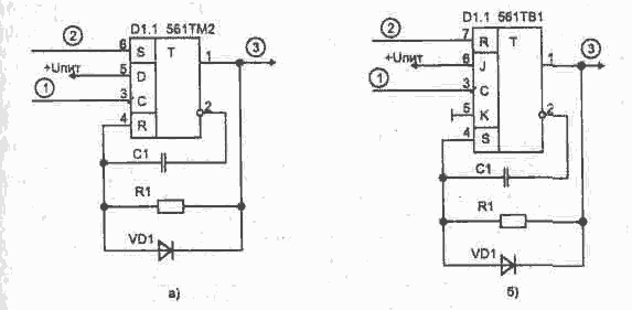
Рис. 1.19. Ждущие мультивибраторы: а) на D-триггере; б) на JK-триггере, в) с повышенной стабильностью при изменении питания

Рис 1.20. Ждущие мультивибраторы с увеличенной крутизной выходных импульсов
а) на D-триггере; б) на JK-триггере
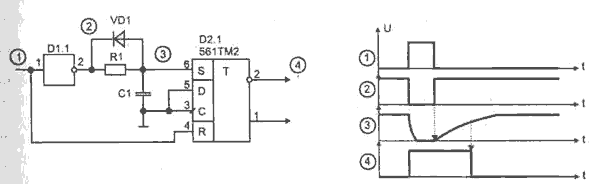
Длительность подаваемых на вход S запускающих импульсов должна быть меньше формируемого (режим, когда на входах S и R одновременно присутствует лог. "1", является запрещенным). На входе С длительность запускающего импульса может быть любой. Диод VD1 ускоряет разряд конденсатора через выход триггера и позволяет увеличить частоту запускающих импульсов (его применение уменьшает время восстановления схемы). Длительность формируемых им пульсов составляет приблизительно tи=0,69R1C1. Минимальное значение сопротивления R1 ограничено максимально допустимым выходным током триггера Его можно менять в пределах 20 кОм...10 МОм, при этом длительность импульса будет меняться в 500 раз. Одновременное изменение значений R1 и С1 позволяет регулировать длительности импульсов в пределах четырех порядков.
Схема на рис. 1.19в обеспечивает более стабильные импульсы при изменении питающего напряжения (аналогичную схему можно собрать и на JK-триггерах).
Для увеличения крутизны спадов выходных импульсов применяют схемы показанные на рис. 1.20, но в них конденсаторы С1 должны быть неполярными. При этом длительность генерируемого импульса при тех же значениях RC-цепи, что и в схемах на рис. 1.18, получается примерно в 2 раза больше.

Рис 1.21. Ждущий мультивибратор с повышенной стабильностью
Лучшую стабильность при изменении напряжения питания по сравнению с представленными на рис. 1.19 вариантами обеспечивает схема одновибратора на двух триггерах, рисКроме того, в этом случае подключение нагрузки не влияет на длительность генерируемых импульсов. Схема состоит из двух одновибраторов, имеющих общий вход запуска, но вырабатывающих на независимых выходах импульсы разной длительности. Импульсы на выходе 5 почти не будут зависеть от напряжения питания.
Ждущий универсальный одновибратор можно выполнить на специально предназначенной для этих целей микросхеме (рис 1. 22а). В одном корпусе 564АГ1 (1561АГ1) имеется два одновибратора, обладающих, в зависимости от комбинации управляющих сигналов на входе, свойством обычного запуска по переднему (вход S1) или заднему фронту (S2), а также при необходимости может перезапускаться. Вход R является приоритетным по отношению к осталь ным входам и устанавливает значение сигнала Q=0 (если вход R не используется, то подключается к +Uпит).
Длительность формируемого сигнала (tи, Q=1) задается соответствующей внешней RC-цепью: tи=0,5RC для С>0,01 мкФ. Более точно определить позволяет приводимая в справочнике [Л8] диаграмма.

Рис.Схемы формирователей задержанного импульса.

Рис.Ждущий мультивибратор на триггере с возможностью перезапуска.
Рис.Ждущий мультивибратор с возможностью перезапуска.
Если требуется иметь перезапуск одновибратора на триггере, в случае прихода очередного входного импульса во время формирования интервала, то схема на рис. 1.23 позволяет увеличить длительность выходного импульса за счет начала отсчета с момента окончания запускающего сигнала. Аналогичная схема приведена на рис.Когда на входе действует лог. "0", конденсатор заряжен до величины напряжения питания (лог. "1"). При поступлении запускающего импульса с длительностью, достаточной для разряда конденсатора, триггер перебросится и генерирует импульс. Длительность этого импульса, после окончания действия входного сигнала, определяется необходимым временем для заряда конденсатора до уровня лог. "1".

Рис. 1.25 Ждущий мультивибратор с повышенной крутизной фронта выходных импульсов.
Схема (рис. 1.25), в отличии от вышеприведенной, позволяет получить более крутые фронты у сигнала на выходах триггера Второе преимущество этой схемы заключается в том, что по окончании вырабатываемого импульса конденсатор быстро разряжается через диод от уровня Uпор вместо дозаряда до уровня питания (Е) Из-за этого следующий запускающий импульс может быть значительно короче, при сохранении нулевого времени восстановления
Второй метод получения импульса нужной длительности связан с использованием счетчиков — цифровых одновибраторов Их применяют, когда временной интервал должен быть очень большим или предъявляют высокие требования к стабильности формируемого интервала В этом случае минимальная получаемая длительность ограничена только быстродействием используемых элементов, а максимальная длительность может быть любой (в отличие от схем, использующих RC-цепи).

Рис.Цифровой одновибратор на программируемом счетчике.
Принцип работы цифрового одновибратора основан на включении триггера входным сигналом и отключении через временной интервал, определяемый коэффициентом пересчета счетчика. Использование в одновибраторе счетчиков с переключаемым коэффициентом деления, рис. 1.26, позволяет получить импульс любой длительности. Микросхема 564ИЕ 15 состоит из пяти вычитающих счетчиков, модули пересчета которых программируются параллельной загрузкой данных в двоичном коде. На загрузку чисел в счетчики требуется три такта, поэтому можно устанавливать коэффициент деления N>3 [Л2].
М | Nmax |
2 | 17331 |
4 | 18663 |
5 | 13329 |
8 | 21327 |
10 | 16659 |
Номер мк/сх | Логический уровень для модуля М | |||||
2 | 4 | 5 | 8 | 10 | # | |
14 | 1 | 0 | 1 | 0 | X | X |
13 | 1 | 1 | 0 | 0 | 1 | 0 |
11 | 1 | 1 | 1 | 1 | 0 | 0 |
В таблице приведены максимально возможные коэффициенты деления в зависимости от значения М. При значениях М=0 счет запрещен. Сигнал на входе S управляет режимом периодического (0) и однократного (1) счета. Двоичный код для разных значений модуля М берется из таблицы 1.3 (# — запрет счета, х — любое состояние, лог. "О" или "1"). Общий коэффициент деления микросхемы определяется по формуле:
N=M(1000P1+100P2+10P3+P4)+P5 .
При работе цифрового одновибратора с кварцевым автогенератором тактовой частоты обеспечивается более высокая стабильность длительности выходного импульса, что позволяет их применять в измерительных приборах.

Рис. 1.27. Цифровой одновибратор с повышенной стабильностью
временного интервала
Рис. 1.28. Цифровой одновибратор
На рис. 1.27 показан пример простейшей схемы для получения импульса с помощью счетчика. Работу одновибраторов поясняют диаграммы, показанные на рисунках. Общим недостатком приведенных на рис 1.27 и 1.28 схем является случайная погрешность, связанная с произвольностью фазы задающего генератора в момент запуска. Погрешность может составлять до периода тактовой частоты и уменьшается с увеличением частоты генератора и коэффициента пересчета счетчика. Устранить этот недостаток позволяет схема на рис. 1.28 (генератор включается при появлении запускающего импульса).
В исходном состоянии на выходе счетчика D2/3 (4) присутствует напряжение лог. "1", что запрещает работу автогенератора на D1.1, D1.2. Запускающий импульс обнуляет счетчик D2, и на его выходе D2/3 будет лог. "0" до момента, пока он не досчитает до появления на D2/3 лог. "1". Поскольку формирование выходного импульса всегда начинается из одного и того же состояния задающего генератора, то исключена случайная погрешность длительности импульса, но эта схема имеет другой недостаток: при включении питания она формирует на выходе импульс неопределенной длительности (в пределах заданного интервала). Схеме присуще свойство перезапуска в случае, если во время формирования выходного импульса появляется очередной запускающий (отсчет длительности формируемого импульса начинается заново).
Рис 1.29. Одновибратор с синхронизацией длительности выходного импульса
с частотой тактового генератора
Схема, показанная на рис 1.29 в момент поступления на вход запускающего импульса, обеспечивает на выходе сигнал, длительность которого равна периоду тактовой частоты (T=1/fт). При кварцевой стабилизации частоты генератора (fт) схема может использоваться в качестве высокостабильного одновибратора.
Материал опубликован на *****
Задержка импульсов
Иногда требуется сдвинуть фронт и спад прямоугольного импульса. Простейшая схема реализация такой задачи показана на рис. 1.58.
С появлением на входе фронта импульса конденсатор С1 начинает заряжаться через цепь VD1-R1, а с появлением спада — разряжается через VD2-R2. Это позволяет раздельно устанавливать задержку переключения ЛЭ. Максимальное время задержки фронта и спада импульса не может превышать 80% от продолжительности входного сигнала.
Пример цифрового способа получения задержки с использованием сдвигающего регистра показан на рис. 1.59.

Задержка зависит от используемого выхода и синхронизирована с тактовой частотой генератора (последовательно можно включить любое количество регистров). При наличии уровня лог. "1" на входе D по положительному фронту импульсов, приходящих с тактового генератора tт, происходит запись в регистр.
При очередном такте это значение сигнала последовательно появляется на выходах регистра. Такая схема может вносить погрешность в длительность выходного сигнала не больше, чем период тактовой частоты, и применима для получения небольшой задержки. Для получения любой задержки сигнала иногда экономически более выгодным является применение микросхем оперативной памяти вместе со схемой управления (запись и чтение через необходимый интервал).
http://*****/knigi/arhivy/fiksiruyuschie-indikatory-lifp-a-lifp-v-fpt-i-fpn-6.html
На рис. 10 приведены примеры использования логических микросхем К511ЛА5 (четыре двухвходовых элемента И-НЕ) в различных времяформирующих цепях БИ.
Схема формирования задержки сигнала логического нуля (рис. 10,а) включает два инвертора D1, D2 и времязадающую RC-цепь. 
Рис. 10 Элементы задержки на базе логических микросхем К511ЛА5:
а - формирователь задержки нулевого сигнала; б - диаграммы работы формирователя задержки; в и г - варианты его выполнения, д - формирователь импульса определенной длительности; е - диаграммы работы формирователя импульса
Диаграммы сигналов приведены на рис 10,6 При поступлении нулевого сигнала на входы инвертора D1 на его выходе появляется логическая 1 (положи тельное напряжение 15 В), диод закрывается и начинается заряд конденсатора С через резистор R2 На выходе инвертора D2 нулевой сигнал появляется при напряжении на его входах, равном 7-8 В Время задержки ориентировочно равно постоянной времени заряда конденсатора С При положительном скачке входного напряжения выходной сигнал запаздывает на время, определяемое временем разряда конденсатора С через резистор R1 Сокращение этого времени достигается при подключении времязадающей цепи через транзистор (рис 10, в) В схеме, показанной на рис 10, г, обеспечивается работа с более высоким значением сопротивления резистора R и соответственно увеличением времени задержки
На рис 10, д приведена схема формирователя импульса определенной длительности Диаграммы его работы изображены на рис 10, е Длительность выходного импульса определяется временем задержки нулевого сигнала на выходе инвертора D2 В течение этого времени сигнал на выходе элемента D3 равен нулю Для формирования импульса положительной полярности на выход может включаться дополнительный инвертор
Формирователи пачки заданного числа импульсов
Для устройств автоматики, дистанционного управления или проверки работы отдельных узлов схемы иногда требуется передавать пачку из определенного числа импульсов Простейшие схемы таких формирователей показаны на рис. 1.43. В них последний импульс пачки может получиться укороченным, если сигнал управления имеет произвольную длительность.
Рис. 1.43. Простейшие схемы формирования пачки импульсов
Часто в схемах управления необходимо использовать генераторы, в которых независимо от положения фронтов управляющих сигналов обеспечивается неискаженное (по длительности) формирование первого и последнего импульсов на выходе. Причем начало первого импульса должно совпадать с началом управляющего сигнала.
Рис. 1.44. Управляемый генератор с неискаженной длительностью последнего
формируемого импульса
Рис. 1.45. Вариант управляемого генератора с неискаженной длительностью
последнего формируемого импульса
Два варианта таких генераторов показаны на рис. 1.44 и рис. 1.45. Если входной запускающий импульс меньше по длительности периода колебаний, на выходах формируется один импульс. При большей длительности правляющего сигнала на выходе будет пачка, показанная на диаграмме. Таким же свойством обладает схема формирователя импульсов, рис. 1.45.
Рис. 1.46. Формирователь пачки до 7-ми импульсов
Электрическая схема, рис. 1.46, формирует от 1 до 7 импульсов в пачке с последующим повторением цикла через время 16Т, пока нажата кнопка. В процессе работы счетчика-дешифратора DD2 на его выходах появляются импульсы, которые управляют переключением триггера DD3.2. Таким образом задается интервал, в течение которого на выходе DD3/12 будет лог. "1", что разрешает прохождение импульсов от автогенератора (DD1.1, DD1.2) через элемент DD1.3 на выход. Второй триггер DD3.1 включен по схеме делителя и обеспечивает появление интервала между пачками.
Количество импульсов в пачке соответствует номеру нажатой кнопки. По формуле T=1,32R1C1 определяется период формируемых импульсов. При этом R1 может иметь номинал от 20 кОм до 10 МОм. Заменой микросхемы DD2 на 561 ИЕ8 количество импульсов в пачке может быть увеличено до 9.
Рис. 1.47 Формирователь пачки импульсов
Схема, приведенная на рис 1.47, обеспечивает при нажатии кнопки однократное формирование пачки до 15 импульсов (на схеме показаны только 10 кнопок). Для повторной выдачи пачки необходимо повторно нажать на соответствующую кнопку. При этом происходит запись соответствующего числа в двоичном коде в регистр предварительной установки счетчика DD2, и он начинает считать на вычитание до момента времени, пока на всех его выходах не установится лог. "0". Логический "0" установится и на выходе DD1.4.
Номиналы элементов (R2, С1) на схеме указаны для частоты генератора 10 Гц (частота набора номера в телефонной линии). На схеме показан также пример дешифратора десятичных чисел в двоичный код на диодах типа Д9 (Д2) однако для уменьшения габаритов вместо них удобнее использовать две диодные матрицы типа КДС627А.
Воспользовавшись принципом работы данной схемы, можно выполнить формирователь пачки с любым количеством импульсов Для этого последовательно со счетчиком DD2 можно включить еще такие же счетчики, а вместо диодов VD1...VD13 применить тумблеры для начальной установки необходимого числа импульсов (в двоичном коде) Для запуска работы формирователя необходимо подать кратковременный положительный импульс на входы DD2/1....DDn/1 — при этом происходит запись установленного кода.
Рис. 1.48. а) Формирователь кодовой последовательности, б) форма импульсов
Иногда требуется иметь пачки импульсов, состоящие из произвольной комбинации положения импульсов относительно начального, — кодовую последовательность. Такой режим обеспечивает схема, рис. 1.48а. Если ни одна из кнопок не нажата, то на выходе (DD1/11) будут появляться одинарные импульсы, с периодом, определяемым частотой задающего генератора на элементах DD1.1, DD1.2.
В зависимости от того, какая кнопка нажата, на выходе появится пачка из комбинации импульсов. Причем каждой нажатой кнопке будет соответствовать определенное положение импульса относительно начального. Эпюры выходного напряжения, рис. 1.48в, поясняют работу схемы.
Кнопки могут быть нажаты в любой комбинации или все одновременно. Что позволяет использовать схему в устройствах, где требуется для дистанционного управления одновременная передача нескольких команд.
Вариант схемы дешифратора кодовой последовательности показан на рис. 1.48в. При обработке входных пачек импульсов на соответствующих выходах мультиплексора DD4 будут кратковременно появляться импульсы, а для фиксации принятой команды можно воспользоваться любыми триггерами.
Материал опубликован на *****
Генераторы импульсов, мультивибраторы, автогенераторы
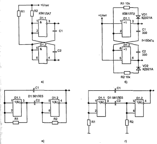
Вариант простейшего генератора (мультивибратора) показан на рис. 1а. Схема имеет два динамических состояния. В первом из них, когда на выходе D1.1 состояние лог. "1" (выход D1.2 лог. "0"), конденсатор С1 заряжается. В процессе заряда напряжение на входе инвертора D1.1 возрастает, и при достижении значения Uпор=0,5Uпит происходит скачкообразный переход во второе динамическое состояние, в котором на выходах D1.1 лог. "О", D1.2 - "1". В этом состоянии происходит перезаряд емкости (разряд) током обратного направления. При достижении напряжения на С1 Unop происходит возврат схемы в первое динамическое состояние. Диаграмма напряжений поясняет работу. Резистор R2 является ограничительным, и его сопротивление не должно быть меньше 1 кОм, а чтобы он не влиял на расчетную частоту, номинал резистора R1 выбираем значительно больше R2 (R2<0,01R1). Ограничительный резистор (R2) иногда устанавливают последовательно с конденсатором. При использовании неполярного конденсатора С1 длительность импульсов (tи) и пауза (tо) будут почти одинаковыми: tи=to=0,7R1C1. Полный период T=1,4R1C1. Резистор R1 и конденсатор С1 могут находиться в диапазоне 20 к0м...10 МОм; 300 пф...100 мкФ.
Рис.1. Генератор импульсов на двух инверторах
При использовании в схеме (рис. 1б) двух инверторов микросхемы К561ЛН2 (они имеют на входе только один защитный диод) перезаряд конденсатора будет происходить от уровня Uпит+Unop. В результате чего симметричность импульсов нарушается tи=1,1R1C1, to=0,5R1C1, период T=1,6R1C1.
Так как порог переключения логических элементов не соответствует точно половине напряжения питания, чтобы получить симметричность импульсов, в традиционную схему генератора можно добавить цепь из R2 и VD1, рис. 1в. Резистор R2 позволяет подстройкой получить меандр (tи=to) на выходе генератора.
Рис 2. Генератор импульсов с раздельной установкой длительности импульса и паузы между ними.
Схема на рис. 2 дает возможность раздельно регулировать длительность и паузу между импульсами: tи=0,8C1R1, to=0,8C1R2. При номиналах элементов, указанных на схеме, длительность импульсов около 0,1 с, период повторения 1 с.
Рис. 3. Генератор импульсов на трех инверторах.
Более стабильна частота у генераторов, выполненных на трех инверторах (Рис. 3). Процесс перезаряда С1 в сторону уменьшения напряжения на левой обкладке начинается от напряжения Uпит+Unop, в результате чего на это уходит больше времени tи=1,1C1R2. Полный период колебаний составит T=1,8C1R2.
Рис. 4. Генератор импульсов с раздельной регулировкой а) длительности импульсов и паузы между ними б) скважности импульсов
Рис. 5. Генератор перекрывающихся импульсов.
Рис. 6. Генератор с симметричными импульсами на выходе.
На рис. 4 приведены схемы аналогичных генераторов, которые позволяют раздельно регулировать длительность и паузу между импульсами или при неизменной частоте регулировать скважность импульсов. Мультивибратор на основе триггера Шмидта показан на рис. 5.
Если требуется получить на выходе приведенных выше схем генераторов симметричные импульсы без подстройки, то после схемы необходимо ставить триггер или же воспользоваться схемой на трех инверторах, рис. 6. Элемент D1.1 используется для создания второй цепи отрицательной обратной связи, охватывающей инвертор D1.2 (главную цепь обратной связи для сигнала образует резистор R5) Элемент микросхемы D1.1 работает в режиме с низким коэффициентом усиления при замкнутой обратной связи подобно операционному усилителю работающему в линейной части характеристики В результате этого инвертированное пороговое напряжение инвертора D1 1 может быть просуммировано с напряжением отрицательной обратной связи и подано на вход элемента D1.2. Если соотношение R2/R1 равно отношению R3/R5 может быть получена полная компенсация ошибок обусловленных изменением пороговых напряжении элементов D1.1 и D1.2 При этом предполагается, что все элементы схемы расположены в одном корпусе и их пороговые напряжения фактически равны Частота импульсов такой схемы определяется из соотношения F=1/R5C1 (она будет примерно в два раза выше по сравнению со схемой, показанной на рис. 1).
Рис. 7. Симметричные мультивибраторы а) на RS триггере с двумя конденсаторами,
б) с одним конденсатором, в) с резисторами соединенными с источником питания,
г) на двух RS триггерах
Симметричный мультивибратор можно выполнить на основе RS-триггере, рис 7. Вариант схемы на рис. 7в позволяет резисторы R1 и R2 выбирать более низкоомными, потому что диоды разделяют цепь заряда от выходов триггера. Вторым преимуществом этой схемы является то, что она позволяет легко и независимо регулировать в определенных границах период и скважность генерируемых импульсов. Скважность можно регулировать линейно, если R1 и R2 объединить в один потенциометр, а период - если общий конец R1 и R2 соединить с источником питания через потенциометр. С целью уменьшения количества дискретных элементов предложена схема мультивибратора на двух RS-триггерах, рис. 7г.
Рис. 8. Автогенератор на основе двух логических элементов.
Рис. 9. Автогенератор на двух одновибраторах.
Симметричный мультивибратор можно выполнить на двух ЛЭ, рис. 8 или одновибраторах, рис. 9. Это также позволяет иметь раздельную регулировку длительности импульсов и интервала между ними.
Рис. 10. Симметричные мультивибраторы.
Простейшие схемы симметричных мультивибраторов приведены на рис. 10. При этом, если R1=R2, R3=R4, С1=С2, полный период определяется из соотношения Т=1,4RC.
Рис. 11. Генератор импульсов с повышенной нагрузочной способностью.
Генератор с малым потреблением энергии можно выполнить на двух ключах микросхемы К561КТЗ, рис. 11. После включения напряжения питания оба ключа разомкнуты. Конденсатор С1 разряжен, поэтому напряжения на нем нет, зарядный ток от источника питания протекает через последовательно включенные резисторы R1 и R2. Так как R1>R2, напряжение на резисторе R2 не достигнет порога срабатывания ключа D1.2, а в дальнейшем, по мере уменьшения зарядного тока, это напряжение стремится к 0. В то же время по мере накопления заряда на конденсаторе напряжение на выводе D1/12 экспоненциально возрастает. Когда оно достигнет порога срабатывания ключа D1.1, соединится цепь между выводами 11 и 10, что приведет к срабатыванию ключа D1.2. Сразу после замыкания обоих ключей нижняя обкладка конденсатора С1 подключается к шине "+" питания. Заряд, накопленный ранее на конденсаторе, не может измениться мгновенно, поэтому напряжение на D1/12 скачком возрастает до уровня, превышающего Uпит на величину, равную порогу срабатывания ключа D1.1. После этого напряжение на С1 начинает уменьшаться с постоянной времени, равной C1R1R3/(R1+R3), и стремится достичь уровня, задаваемого делителем напряжения на резисторах R1, R3. В процессе перезаряда конденсатора напряжение на С1 уменьшится до порога размыкания ключа D1.1. В результате развивается лавинообразный процесс размыкания обоих ключей. Для защиты ключа D1.2 от отрицательного выброса напряжения в схему вводится диод. После размыкания ключей конденсатор начинает заряжаться через последовательно включенные резисторы R1 и R2 — описанные выше процессы повторяются.
|
Из за большого объема этот материал размещен на нескольких страницах:
1 2 3 |






























