ПРИЛОЖЕНИЕ 10.
ПАРАБОЛИЧЕСКАЯ ЗЕРКАЛЬНАЯ АНТЕННА
Параболические зеркальные антенны состоят из двух частей: зеркала и облучателя.
Облучатель излучает электромагнитную волну в сторону зеркала. Фронт волны в пространстве формируется в результате отражения электромагнитной волны от поверхности зеркала (рефлектора).
Зеркальные антенны широко применяются, начиная с дециметрового диапазона длин волн. Их используют в различных радиотехнических системах: радиолокаторах, радиорелейных линиях, радиоастрономии и т. д.
Исходными данными для расчета зеркальной антенны являются: длина волны
, коэффициент направленного действия или ширина диаграммы направленности (обычно по уровню половинной мощности) в плоскостях Е и Н (![]()
).
Порядок расчета размеров и параметров параболической антенны.
1. Определяются размеры зеркала антенны.

Зеркало можно выбирать длиннофокусным
(рис. П10.1) и короткофокусным
.
При заданном коэффициенте усиления антенны радиус зеркала может быть определен из выражения
, (П10.1)
где RO радиус раскрыва зеркала; ν- коэффициент использования поверхности зеркала (КИП),
- КПД антенны.
На рис. 10.2 приведена зависимость
от угла
. В реальных параболических антеннах эффективность антенны (произведение
) лежит в пределах от 0,45 до 0,6. Максимум коэффициента усиления антенны достигается при
60°. Фокусное расстояние вычисляется по формуле
. (П10.2)
В том случае, если задана ширина диаграммы направленности антенны, то для выбора размеров зеркала можно воспользоваться данными табл. П10.1.
Данные для выбора размеров зеркала антенны Таблица П10.1
|
|
| Подавление уровня боковых лепестков | |
Н-плоскость | Е-плоскость | |||
0,4 | 61l/2R0 | 63l/2R0 | - | - |
0,6 | 63l/2R0 | 71l/2R0 | 16 дБ | 20 дБ |
0,8 | 70l/2R0 | 83l/2R0 | 24 дБ | 25 дБ |
1,0 | 79l/2R0 | 96l/2R0 | 27 дБ | 26 дБ |
2. Рассчитываются параметры заданного типа облучателя.
Необходимо проектировать облучатель так, чтобы он имел однонаправленное излучение. Диаграмма направленности должна обладать осевой симметрией с минимальным уровнем боковых лепестков.
Фазовый центр облучателя находится в фокусе зеркала. Облучатель в минимальной степени должен затенять зеркало.
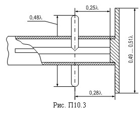
Вибраторный облучатель
Облучатель в виде симметричного вибратора с контррефлектором находит применение в дециметровом и длинноволновой части сантиметрового диапазона волн (
, см. рис. П10.3).
При установке облучателя фокус зеркала должен быть между вибратором и контррефлектором. В качестве симметрирующего устройства обычно применяют либо четвертьволновый стакан, либо устрой
ство щелевого типа.
Диаграмма направленности полуволнового вибратора с контррефлектором в плоскости, перпендикулярной оси вибратора (в плоскости Н ), рассчитывается по формуле
, (П10.3)
где d - расстояние от вибратора до контррефлектора,
.
Расстояние от вибратора до контррефлектора, равное
, необходимо для того, чтобы отраженное от контррефлектора поле было синфазно с полем, которое излучается вибратором в сторону зеркала.
Диаграмма направленности полуволнового вибратора с контррефлектором в плоскости, проходящей через ось вибратора (и ось зеркала), описывается выражением
, (П10.4)
где первый множитель представляет собой диаграмму направленности полуволнового вибратора, а второй - множитель решетки, состоящей из двух вибраторов: одного реального, а второго фиктивного, зеркально отраженного, имеющего противоположную фазу тока.
Входное сопротивление полуволнового вибратора с контррефлектором находится как сумма собственного сопротивления вибратора Z11 и сопротивления Z12 , вносимого его зеркальным изображением. Для рассматриваемого случая
;
, где
- длина одного плеча вибратора, а h - расстояние между вибратором и его зеркальным изображением.
, Ом,
,Ом (П10.5)
При этом
, Ом, а
, Ом
Для согласования облучателя с питающим фидером необходимо, чтобы входное сопротивление вибратора было чисто активным и равным волновому сопротивлению питающего фидера.
Реактивная составляющая входного сопротивления может быть скомпенсирована или реактивным шлейфом, или некоторым укорочением плеч вибратора. Так как в данном случае фидер коаксиальный, то его волновое сопротивление равно
, (П10.6)
где
- внутренний диаметр внешнего проводника; d - внешний диаметр внутреннего проводника;
- относительная диэлектрическая проницаемость материала, заполняющего коаксиальный фидер.
Обычно задаются диаметром плеч вибратора 2…4 мм и равного им диаметра d и определяют по формуле (П10.6) величину D. После выбора размеров коаксиальной линии ее надо проверить на условие пробоя
, кВ/см, (П10.7)
здесь P - проходящая по линии мощность в кВт; d – в см.; W – в Ом; КСВ следует принять равным 1,2... 1,4.
Если условие (П10.7) не выполняется, то необходимо увеличить внутренний диаметр коаксиальной линии и диаметр плеч вибратора с тем, чтобы снизить концентрацию электрического поля около поверхности малого радиуса кривизны.
Коаксиальная линия заканчивается высокочастотным разъемом для подключения кабеля со стандартным волновым сопротивлением (
= 50, 75 Ом). Если коаксиальная линия имеет
,то следует применить четвертьволновый согласующий трансформатор с волновым сопротивлением
, который обычно конструктивно выполняется в участке коаксиальной линии.
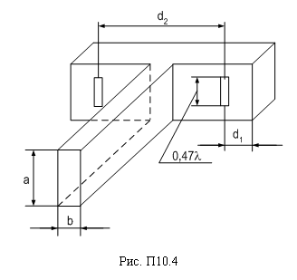
Двухщелевой облучатель
Облучатель такого типа обычно используется на длинах волн короче 5...6 см. Он выполняется на основе Е - плоскостного волноводного Т – разветвителя. Разветвление при этом осуществляется в плоскости расположения вектора Е волны Н10 (рис. П10.4).
Разработка облучателя начинается с выбора стандартного волновода по заданному рабочему диапазону волн. Длина щели выбирается равной (0,47...0,48)
. Расстояние d1 от щелей до стенок должно быть равным
. Расстояние между щелями d2 выбирается как в обычных антенных решетках, чаше всего
или
. Ширина щели выбирается из условия отсутствия электрического пробоя при заданной величине мощности излучения
, (П10.8)
где ЕПРОБ – пробивное значение напряженности поля в материале щели. Для воздуха ЕПРОБ = 3 106 В/м. Максимальное напряжение на щели равно
. ( П10.9)
Так как проводимость щели в волноводе равна
,
где
-сопротивление из-лучения симметричного по-луволнового вибратора
(73,1Ом),то
,В
(П10.10)
Диаграммы направленности двухщелевого облучателя рассчитываются по формулам:
, в плоскости Е, (П10.11)
, в плоскости Н. (П10.12)
Углы q и j отсчитываются от нормали к плоскости расположения щелей. При этом
и
.
Рупорный облучатель
Рупорные облучатели используются, в основном, в сантиметровом и миллиметровом диапазонах волн
7…8 см.
Расчет рупорного облучателя выполняется аналогично расчету рупорной антенны при заданной ширине диаграммы направленности в плоскостях Е и Н.
Например, можно задаться требованием, чтобы в обеих плоскостях диаграммы направленности были одинаковыми и уровень 0,3 (или 0,1) по полю был бы под углом 50°...70°. Тогда, задаваясь в формулах характеристик направленности рупора
и
равным 0,3 при q (j ) = 50°…70о, находят размеры раскрыва рупора
.
Характеристика направленности рупора в плоскости Е может быть оценена по упрощенной формуле
, (П10.13)
а в плоскости Н по формуле
, (П10.14)
где углы
и
отсчитываются от нормали к плоскости раскрыва рупора.
Уравнения (П10.13) и (П10.14) являются относительно размеров раскрыва рупора трансцендентными и решаются методом подбора.
Длину рупора обычно берут равной R = (1,2 … 1,3) аР, при которой фронт волны сферический.
3. Рассчитывается диаграмма направленности антенны.
Характеристику направленности антенны можно вычислить по приближенной формуле
, (П10.15)
где
– функция Бесселя первого рода первого порядка.
Более точно диаграмма направленности зеркальной антенны рассчитывается через амплитудное распределение поля вдоль раскрыва. Для этого в фокусе зеркала строится в полярной системе координат диаграмма направленности облучателя, а по ней амплитудное распределение поля вдоль зеркала (см. рис. П10.5).
Для того, чтобы можно было построить диаграмму направленности зеркальной антенны необходимо аналитически записать амплитудное распределение поля в раскрыве зеркала. Это выполняется с помощью аппроксимирующей функции, которая должна совпадать с действительной функцией хотя бы в нескольких точках, число которых может быть выбрано любым. Для инженерных расчетов достаточную точность обеспечивают три точки
= 0; 0,5; 1,0, которые называют узлами интерполяции.
Аппроксимирующая функция представляется полиномом вида
. (П10.16)
Для того, чтобы определить коэффициенты полинома an , следует составить столько уравнений, сколько точек совпадения желательно иметь и потребовать, чтобы в этих точках аппроксимирующая функция
и действительная функция
совпадали. Если выбрать узлами интерполяции
= 0; 0,5; 1,0, то получим следующие уравнения:
(П10.17)
Для диаграммы направленности облучателя, показанной на рис. П10.5, имеем:
(П10.18)
Решение системы уравнений (П10.18) дает значения коэффициентов полинома
:
; ; . При этом аппроксимирующее амплитудное распределение будет иметь вид
. (П10.19)
Поле излучения при аппроксимации полиномом вида (П10.16) или, в частном случае, полиномом (П10.19) известно и определяется выражением
, (П10.20)
где
, а
– лямбда - функция
порядка.
Лямбда - функция может быть выражена через функцию Бесселя первого рода того же порядка
.
Значения лямбда - функции табулированы, их значения даны в Приложении 20.
Первый множитель в выражении (П10.20), зависящий от угла
, имеет вид
и представляет собой поле излучения элементарной площадки – элемента Гюйгенса. Второй множитель, определяемый суммой, является множителем решетки, который характеризует направленные свойства системы излучателей. Влиянием первого множителя при изменении угла
можно пренебречь, так как диаграмма направленности элемента Гюйгенса много шире, чем диаграмма направленности зеркальной антенны. Тогда нормированная диаграмма направленности антенны
определяется выражением
. (П10.21)
При трех членах полинома (П10.16) нормированная диаграмма направленности параболической зеркальной антенны будет определяться формулой
. (П10.22)
В общем случае диаграммы направленности следует рассчитать для двух плоскостей: Е и Н. Однако, если диаграмма направленности облучателя в плоскостях Е и Н примерно одинаковы, то можно полагать, что формула (П10.22) описывает направленные свойства зеркальной антенны в обеих плоскостях. Поскольку диаграмма направленности зеркальной антенны узкая, то углы
следует брать для расчета через 0,1°... 0,5°. Диаграммы направленности зеркальных антенн обычно строят в декартовой системе координат.
4. Выбирается схема фидерного тракта и выполняется расчет линии передачи.
При расчёте линии передачи необходимо учесть коэффициент отражения Г3, обусловленный влиянием зеркала на фидерный тракт
, (П10.23)
где DОБЛ - коэффициент направленного действия облучателя (обычно 3…6);
f - фокусное расстояние.
5. Вычисляется КПД антенно-фидерного тракта.
6. Выполняется конструктивный расчет антенны и делается её эскиз.


