.3. Магнитные усилители
Магнитные усилители (МУ) применяются на тепловозах в узлах возбуждения тягового генератора, а на электроподвижном составе и вагонах в низковольтных цепях в основном в качестве регуляторов напряжения. МУ часто называются дросселем с подмагничиванием или дросселем насыщения.
Магнитный усилитель представляет собой регулируемое индуктивное сопротивление. По своему функциональному предназначению он полностью соответствует классическому регулируемому индуктивному сопротивлению, состоящему из катушки с подвижным сердечником (см. рис.4.16).

Рис.4.16. Регулируемое индуктивное сопротивление
Физическая природа индуктивного сопротивления катушки, включенной в цепь переменного тока, заключается в противо э. д.с. самоиндукции, возникающей в витках катушки в переменном магнитном поле протекающего по ней тока. Мгновенное значение тока, согласно закону Ома, определяется выражением:

где
- мгновенное значение напряжения питания, В;
- мгновенное значение противо э. д.с. самоиндукции в витках катушки, В;
- суммарное активное сопротивление цепи, Ом.
Противо э. д.с катушки представляет собой сумму противо э. д.с. самоиндукции всех ее витков, т. е.
![]()
где
- число витков в катушке;
- противо э. д.с. самоиндукции n-го витка, В.
Величина противо э. д.с. самоиндукции в каждом из витков определяется скоростью изменения магнитного потока через площадь, ограниченную контуром витка:
![]()
где Фn – магнитный поток через контур n-го витка, Вб;
Bn – магнитная индукция поля n-го витка, Тл;
Sn - площадь поперечного сечения n-го витка, м2. <
Величина магнитного потока, в свою очередь, зависит от намагничивающей силы, создающей магнитное поле (произведение тока, протекающего по виткам катушки, на количество витков; измеряется в ампер - витках), и магнитных свойств среды, заключенной внутри контура витка. Последние характеризуются кривой намагничивания материала, представляющей собой зависимость магнитной индукции в материале от напряженности магнитного поля. Напряженность магнитного поля в первом приближении может рассматриваться как величина, пропорциональная намагничивающей силе. Форма кривой намагничивания зависит от магнитных свойств материала (см. рис.4.17).

Рис.4.17. Кривые намагничивания различных материалов:
1 – мягкая (электротехническая) сталь; 2 – незакаленная сталь; 3 – закаленная сталь.
Влияние формы кривой намагничивания на величину индукции магнитного поля представлено на рис.4.18. Из него следует, что при одной и той же намагничивающей силе катушки скорость изменения магнитной индукции, а, следовательно, противо э. д.с. самоиндукции и определяемое ею индуктивное сопротивление будет тем больше, чем круче кривая намагничивания материаласердечника. Наибольшее индуктивное сопротивление будет иметь катушка с сердечником из специальной электротехнической стали, (рис.4.18,а), наименьшее – катушка без сердечника, у которой в качестве материала сердечника может рассматриваться воздух, имеющий, как и другие немагнитные материалы, очень пологую кривую намагничивания (рис.4.18,в).

Рис.4.18. Влияние кривой намагничивания на величину магнитной индукции в сердечнике.
Классическим способом регулирования индуктивного сопротивления катушки являетсяизменение длины сердечника внутри катушки; ее увеличение (ввод сердечника внутрь катушки) приводит к увеличению индуктивного сопротивления катушки, уменьшение (вывод сердечника за пределы катушки) - к уменьшению индуктивного сопротивления (см. рис.4.16). Как отмечалось выше, противо э. д.с. (индуктивное сопротивление) катушки складывается из противо э. д.с. отдельных витков. В витках, внутрь которых введен сердечник, индуцируется большая противо э. д.с. (рис.4.18,а), в витках, не охватывающих сердечник, индуцируется очень малая противо э. д.с (рис.4.18,в). Очевидно, чем больше витков охватывают сердечник (чем глубже введен он в катушку), тем больше противо э. д.с. (индуктивное сопротивление) катушки и наоборот. Такой способ регулирования индуктивного сопротивления катушки (тока в ее цепи) вполне приемлем там, где это необходимо делать вручную (сварочные аппараты с регулированием тока в цепи посредством регулируемого дросселя) или посредством механических устройств (индуктивный датчик объединенного регулятора дизеля). Однако он очевидно неудобен там, где необходимо управлять током цепи посредством электрического сигнала.
. Для исключения трансформаторного эффекта используется следующая схема (рис.4.21). Основная обмотка делится на две секции с одинаковым количеством витков, каждая из которых наматывается на отдельном сердечнике.

Рис.4.21. Способы регулирования тока в катушке посредством подмагничивания сердечника.
Направление намотки секций выбирается таким, чтобы при последовательном включении созданные ими магнитные поля (каждое в своем сердечнике) были направлены в противоположные стороны. Витки подмагничивающей катушки охватывают оба сердечника одновременно. Поскольку ток в каждой из секций основной обмоток, а, следовательно, и магнитная индукция созданного ею магнитного поля в каждый момент времени одинаковы, суммарная магнитная индукция поля внутри витков подмагничивающей катушки в каждый момент времени равна нулю, вследствие чего э. д.с. магнитной индукции в витках этой катушки не наводится, т. е. трансформаторный эффект отсутствует.
Схема на рис.4.21 представляет собой точную (без каких-либо упрощений) схему магнитного усилителя (МУ). Двухсекционная обмотка, включенная в цепь переменного тока, называется рабочей обмоткой (РО). Подмагничивающая обмотка называется обмоткой управления (ОУ). Регулирование тока рабочей обмотки осуществляется изменением сопротивления.
В качестве выходного сигнала усилителя может использоваться как ток рабочей обмотки, так и пропорциональное ему переменное или постоянное напряжение. В последнем случае используется дополнительный выпрямительный мост (рис.4.21).
Простейший МУ на сердечнике имеет две рабочие обмотки (РО), питаемых переменным током и обмотку (обмотки) управления (ОУ). При отсутствии в обмотке управления тока на нагрузке протекает только ток холостого хода, величина которого мала по сравнению с рабочим током, и определяется магнитной проницаемостью сердечника, выполненного из ферромагнитных материалов (феррит, пермаллой).
По мере увеличения тока в обмотке управления,магнитная проницаемость сердечника уменьшается, что в итоге приводит к увеличению тока в рабочих обмотках (нагрузке).
Следовательно, путем изменения тока в обмотке управления можно управлять величиной тока нагрузки. Отношение изменения рабочего тока к изменению тока управления называется коэффициентом усиления МУ.
Конструктивно МУ похож на трансформатор, однако катушка рабочих обмоток имеют одинаковое число витков и включаются встречно-последовательно. Катушка управления может состоять из нескольких обмоток и питается всегда постоянным током (рис.4.22).

Рис.4.22. Схема магнитного усилителя с несколькими обмотками управления
Магнитный поток катушки управления при нескольких обмотках, питаемых от разных источников, получается как их алгебраическая сумма, т. е. направление токов в обмотках управления + или -. Что будет выбрано за + или - значения не имеет.
Основные свойства магнитных усилителей.
Наиболее полная информация о свойствах магнитного усилителя может быть получена из его характеристики, которая представляет собой зависимость тока рабочей обмотки усилителя от тока обмотки управления или, чаще - от намагничивающей силы обмотки управления (рис.4.23). На рис.5.18 изображена характеристика магнитного усилителя и изменение режима его работы (рабочая точка) в зависимости от величины подмагничивания.

Рис.4.23. Характеристика и коэффициент усиления магнитного усилителя.
Ток, протекающий по рабочей обмотке магнитного усилителя при отсутствии подмагничивания (этому режиму соответствует кадр 1 на рис.4.18), называется током холостого хода, а участок АВ характеристики – участком насыщения сердечника магнитного усилителя.
Важным свойством МУ является его коэффициент усиления, определяемый как отношение изменения величины
выходного тока к вызвавшему его изменению
тока обмотки управления т. е.:
![]()
Очень большое практическое значение имеет возможность использования МУ для сложения или вычитания электрических сигналов. Если на сердечниках магнитного усилителя размещаются несколько управляющих обмоток (рис.4.22), подмагничивание сердечников будет определяться алгебраической суммой магнитных индукций полей отдельных управляющих обмоток, и, следовательно, выходной сигнал усилителя (ток рабочей обмотки) будет зависеть от алгебраической суммы токов, протекающих по обмоткам управления, т. е. :
![]()
или иначе, на прямолинейном участке характеристики ОА (рис.4.23):
![]()
где n - количество управляющих обмоток усилителя;
- ток n-й обмотки управления, А;
kу - коффициент усиления усилителя.
Простейшие магнитные усилители имеют небольшую выходную мощность и коэффициент усиления.
Магнитные усилители с обратной связью
Описанные выше свойства магнитных усилителей позволяют строить на их базе простые и эффективные статические системы автоматического регулирования. Как правило, усилители выполняют в таких системах функции датчиков, элементов сравнения и распорядительных элементов, причем очень часто последние две функции реализуются одним и тем же усилителем. Как известно, статическая ошибка статической системы автоматического регулирования определяется коэффициентом усиления ее распорядительного и исполнительного элементов. В связи с этим часто к магнитному усилителю предъявляются достаточно высокие требования по величине коэффициента усиления.
Величина коэффициента усиления усилителя определяется магнитными свойствами (крутизной линейной части кривой намагничивания) материала сердечника, и суммарной намагничивающей силой обмоток управления.
Для изготовления любых магнитных усилителей используются высококачественные электротехнические стали с большой крутизной и минимальной площадью кривой намагничивания. Существенного увеличения коэффициента усиления за счет повышения качества стали добиться невозможно. Увеличение количества витков приводит к увеличению омического сопротивления обмотки, необходимости увеличения управляющих напряжений и потерь в обмотках.
Наиболее эффективным способом увеличения коэффициента усиления (и не только магнитных усилителей) является использование положительной обратной связи. Как известно из теории автоматического регулирования, обратной связью (ОС) называются подача части выходного сигнала а на вход системы. Если этот сигнал действует в соответствии с входным сигналом и дополнительно усиливает выходной сигнал, такая обратная связь называется положительной. В противном случае, т. е. если обратная связь ослабляет выходной сигнал системы, такая обратная связь называется отрицательной.
Отрицательная обратная связь широко используется в системах автоматического регулирования и управления для поддержания заданных значений регулируемой величины и повышения качества переходных процессов.Положительная обратная связь используется значительно реже для увеличения коэффициентов усиления устройств.
В зависимости от способа реализации обратная связь в магнитном усилителе может быть внешней и внутренней.
Магнитные усилители с внешней обратной связью
Поскольку выходным сигналом магнитного усилителя является ток рабочей обмотки, ОС в магнитном усилителе заключается в использовании этого тока для подмагничивания сердечника усилителя. В случае, если для этой цели используется дополнительная управляющая обмотка, обратная связь называется внешней обратной связью (рис.4.24). Знак обратной связи определяется выбором полярности обмотки – если ее магнитное поле сонаправлено с магнитным полем управляющей обмотки, усиливая его и дополнительно подмагничивая сердечник, обратная связь является положительной. В противном случае, т. е. если магнитное поле обмотки обратной связи противодействует полю управляющей обмотки, обратная связь будет отрицательной.

Рис.4.24. Магнитный усилитель с внешней обратной связью.
При наличии положительной обратной связи даже при отсутствии тока управляющей обмотки сердечник усилителя подмагничивается током холостого хода, что приводит к его дополнительному увеличению. По этой же причине при появлении тока управляющей обмотки соответствующие ему значения тока рабочей обмотки будут выше, чем в усилителе без обратной связи.
Очевидно, введение обратной связи нарушает симметричность характеристики усилителяотносительно оси ординат, характерную для усилителя без обратной связи (см. рис.4.21). В самом деле, изменение направления тока в обмотке управления, очевидно, не приведет к изменению направления тока в обмотке ОС, поэтому магнитное поле обмотки обратной связи будет в этом случае действовать против поля обмотки управления, уменьшая подмагничивание сердечника и выходной ток усилителя. В результате характеристика усилителя с обратной связью будет иметь вид, представленный на рис.4.25, 2. Введение обратной связи как бы поворачивает характеристику против часовой стрелки (при положительной обратной связи) или по часовой стрелке (при отрицательной обратной связи). При этом коэффициент усиления усилителя на той из ее ветвей, знак которой совпадает со знаком ОС, увеличивается, а на противоположной уменьшается.

Рис.4.25. Характеристики магнитного усилителя без обратной связи (1) и с внешней обратной связью (2).
Угол «поворота» характеристики (изменение коэффициента усиления) зависит от соотношения величины индукции магнитных полей управляющей обмотки и обмотки обратной связи и характеризуется коэффициентом обратной связи.
Влияние коэффициента обратной связи на форму характеристики усилителя представлено на рис.4.26.

Рис.4.26. Влияние коэффициента обратной связи на форму характеристики усилителя.
Характеристика 5 на рис.4.26 соответствует т. н. релейному режиму работы усилителя, при котором он может находиться только в двух устойчивых состояниях: в состоянии, соответствующем минимальному выходному току (точка 1 характеристики), и в состоянии, соответствующем максимальному выходному току (точка 2 характеристики). Релейный режим усилителя достигается при больших значениях коэффициента обратной связи. В серийных системах тепловозной автоматики такие режимы работы магнитных усилителей не используются, однако в других областях техники возможно использование таких режимов для создания бесконтактных релейных устройств.
Магнитные усилители с внутренней обратной связью
Основным недостатком внешней обратной связи является необходимость использования дополнительной обмотки, по которой должен протекать выходной ток усилителя. В усилителях средней и большой мощности это усложняет конструкцию, увеличивает габаритные размеры усилителя и величину электрических потерь в нем.
Возможен иной способ реализации обратной связи в магнитном усилителе. Рассмотрим схему, представленную на рис.4.27.

Рис.4.27. Схема магнитного усилителя с внутренней обратной связью.
Особенностью ее является включение секций рабочей обмотки усилителя в плечи выпрямительного моста. При этом в каждый из полупериодов изменения питающего напряжения ток течет по определенной секции рабочей обмотки, т. е. по каждой из секций обмотки протекает пульсирующий ток одного направления ( рис.4.28).

Рис.4.28. Диаграммы токов, протекающих по различным участкам цепи магнитного усилителя с внутренней обратной связью.
Вследствие этого магнитодвижущая сила каждой из секций изменяется не симметрично относительно оси ординат, а с некоторым смещением (рис.4.29), которое и обеспечивает смещение рабочей точки соответствующего сердечника, а, следовательно, и уменьшение индуктивного сопротивления соответствующей секции рабочей обмотки.

Рис.4.29. Режимы работы сердечников рабочих обмоток магнитных усилителей без ОС и с внутренней ОС.
Очевидно, это смещение будет тем больше, чем больше ток рабочей обмотки, т. е. за счет такой схемы включения секций обмоток магнитного усилителя его выходной сигнал дополнительно усиливает действие входного сигнала и реализует таким образом положительную обратную связь. Поскольку эта обратная связь реализуется без использования дополнительных внешних обмоток, она называется внутренней обратной связью. Для дополнительного увеличения коэффициента усиления секции рабочей обмотки включены согласно, т. е. их магнитные поля сонаправлены с полем обмотки управления. Поскольку ток в секциях обмотки изменяется в противофазе, полной компенсации трансформаторного эффекта при внутренней обратной связи добиться не удается, вследствие чего в цепи управления присутствует небольшая переменная составляющая напряжения.
Магнитный усилитель с внутренней положительной обратной связью называется амплистатом.
Применение магнитных усилителей
Магнитные усилители сыграли и продолжают играть очень большую роль в развитии отечественного тепловозостроения. На этих аппаратах строилась система автоматического регулирования напряжения тягового генератора целого поколения тепловозов с электрической передачей постоянно – постоянного тока(ТЭП60, М62 всех модификаций, ТЭ10 всех модификаций), в течение примерно 30 лет составлявших и еще составляющих в настоящее время основу тепловозного парка отечественных железных дорог. Эти же аппараты выполняют важные функции в системах автоматического регулирования напряжения более современных тепловозов с электрической передачей переменно – постоянного тока (2ТЭ116, ТЭМ7, ТЭП70).
Вместе с тем, перечень функций, выполняемых магнитными усилителями в этих системах, очень ограничен. В основном этот перечень включает только две функции:
1) формирование гальванически развязанных от высоковольтных силовых цепей сигналов (токов), пропорциональных значениям тока и напряжения тягового генератора, т. е. функция датчиков тока и напряжения тягового генератора;
2) алгебраическое сложение (сравнение) сигналов и усиление результата сложения, т. е. функция элемента сравнения и распорядительного элемента в системе автоматического регулирования.
Именно эти функции магнитных усилителей являются универсальными практически для всех систем регулирования, эксплуатирумых в настоящее время на отечественных тепловозах, за исключением электромашинных, т. е. систем первого поколения (тепловоз ТЭМ2) и микропроцессорных, т. е. систем последнего поколения (УСТА, система поосного регулирования силы тяги и т. д.).
4.3.1. Трансформатор напряжения
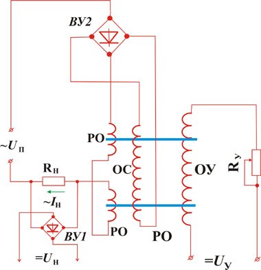
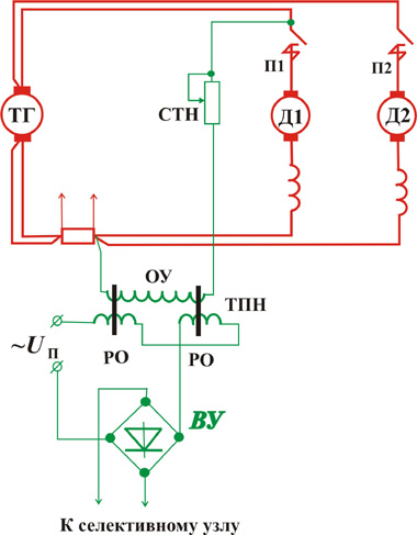
Схемы включения магнитных усилителей, применяемых для измерения напряжения и тока тягового генератора, также практически идентичны для всех типов систем регулирования электрической передачи и серий тепловозов. Типичная схема включения магнитного усилителя для измерения напряжения тягового генератора представлена на рис.4.30.

Рис.4.30. Схема включения трансформатора постоянного напряжения.
Нетрудно заметить, что она практически повторяет схему, представленную на рис.4.21. Ток обмотки управления усилителя определяется выражением:
![]()
где
- напряжение тягового генератора, В;
- регулировочное сопротивление, Ом;
- активное сопротивление обмотки управления усилителя, Ом;
- сопротивление соединительных проводов, Ом.
Таким образом, ток обмотки управления, а, следовательно, и ток рабочей обмотки усилителяопределяется величиной напряжения тягового генератора. В определенном смысле можно считать, что магнитный усилитель преобразует постоянное напряжение тягового генератора в пропорциональное ему переменное выходное напряжение на нагрузочном сопротивлении, т. е. выполняет функцию трансформатора, но с постоянным напряжением на первичной обмотке. По этой причине магнитный усилитель, включенный в систему автоматического регулирования тепловоза по схеме, представленной на рис.4.30, специалисты – тепловозники очень часто называют трансформатором постоянного напряжения (ТПН). Это название стало общеупотребимым, хотя и не вполне корректным, так как магнитный усилитель не является трансформатором.
Основной характеристикой трансформатора постоянного напряжения является коэффициент трансформации, который определяется как отношение изменения тока рабочей обмотки к вызвавшему его изменению тока обмотки управления, т. е.
![]()
Конструктивные характеристики ТПН выбираются таким образом, чтобы при изменении напряжения тягового генератора во всем допустимом диапазоне изменения его рабочая точка не смещалась за пределы прямолинейного участка его характеристики (см. рис.4.23).
Трансформатор постоянного напряжения состоит из двух тороидальных сердечников, выполненных из железо-никелевого сплава, накаждом из которых намотана рабочая обмотка (рис.4.31).

Рис.4.31. Разрез трансформатора постоянного тока ТПН-4
Рабочие обмотки соединены между собой встречно. Управляющая обмотка охватывает оба сердечника. Сердечники с обмотками (рис.4.32) и шпильками залиты компаундом на основе эпоксидной смолы. К шпилькам крепятся угольники, с помощью которых трансформатор крепится на тепловозе. Характеристики трансформаторов напряжения приведены в табл.4.6.

Рис.4.32. Секция рабочей обмотки ТПН-4
Таблица 4.6. Технические характеристики трансформаторов постоянного напряжения
Параметр | ТПН-3А | ТПН-4 |
Измеряемое напряжение, В | 750 | 750 |
Напряжение питания, В | 30 | 55 |
Частота напряжения питания, Гц | 133 | 200 |
Длительный ток рабочей обмотки, А | 2,5 | 1,1 |
Длительный ток управляющей обмотки, А | 1,6 | 0,71 |
Сопротивление в цепи управления, Ом | 500 | 1050 |
Сопротивление цепи нагрузки, Ом | 5 | 28 |
Диаметр провода рабочей обмотки, мм | 0,8 | 0,53 |
Диаметр провода обмотки управления, мм | 0,72 | 0,44 |
Число витков рабочей обмотки | 2 х 350 | 2 х 495 |
Число витков обмотки управления | 580 | 790 |
4.3.2. Трансформатор тока
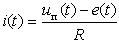
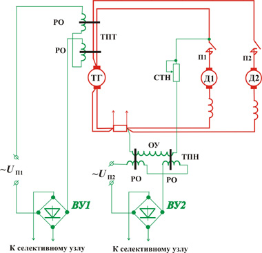
Схема, изображенная на рис.4.33, может использоваться и для измерения тока. Затруднения возникают только с выбором параметров цепи управления, по которой должен протекать ток тягового генератора или пропорциональный ему. Поскольку подмагничивание сердечника МУ определяется намагничивающей силой обмотки управления, т. е. произведением тока, протекающего по ней, на количество ее витков, можно создавать эту намагничивающую силу небольшим током, протекающим по большому количеству витков, или наоборот, большим током, при небольшом количестве витков. В предельном случае, при достаточной вели-чине тока управления, можно обойтись даже одним витком управляющей обмотки.

Рис.4.33. Схема включения трансформатора постоянного тока.
Именно это сочетание параметров управляющей обмотки и реализовано в магнитных усилителях, предназначенном для измерения тока тягового генератора тепловоза. Функцию витка управляющей обмотки такого усилителя выполняет силовой кабель (кабели), расположенный вблизи сердечника. Подмагничивание сердечника осуществляется магнитным полем, возникающем вокруг этого кабеля (кабелей) как вокруг проводника с током. Таким образом, на магнитном сердечнике такого трансформатора собственно управляющая обмотка может отсутствовать. Схема включения магнитного усилителя для измерения силы тока тягового генератора тепловоза представлена на рис.4.33. Сам магнитный усилитель, используемый для этой цели, называют трансформатором постоянного тока (ТПТ). Это название, как и в случае с ТПН, является не вполне корректным, однако стало общеупотребимым среди специалистов – тепловозников.
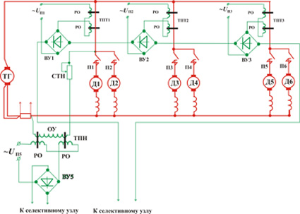
Для повышения противобуксовочных свойств тепловозов за счет повышения жесткости внешней характеристики тягового генератора применяются так называемые многотрансформаторные схемы измерения тока (рис.4.34 и рис.4.35). Выпрямители В1…В4 (рис.4.34) и В1…В3 (рис.4.35) образуют узел выделения максимального тока.

Рис.4.34. Четырехтрансформаторная схема измерения тока тягового генератора.
По его выходной цепи течет выпрямленный максимальный из входных токов, т. е. в данном случае выпрямленный максимальный из токов рабочих обмоток трансформаторов ТПТ1…ТПТ4 (рис.4.34) и ТПТ1…ТПТ3 (рис.4.35). Многотрансформаторные схемы позволяют с различной вероятностью сохранить неизменное значение сигнала обратной связи по току при буксовании различного числа колесных пар и исключить повышение напряжения генератора по его внешней характеристике при буксовании, что уменьшает склонность тепловоза к буксованию.

Рис.4.35. Трехтрансформаторная схема измерения тока тягового генератора.
На рис.4.34 и рис.4.35 встречное включение секций рабочих обмоток ТПТ и ТПН не отображается. Такие упрощенные способы изображения обмоток магнитных усилителей применяются для упрощения рисунков.
Основной характеристикой функциональных свойств трансформатора постоянного тока, как и трансформатора постоянного напряжения, является коэффициент трансформации, определяемый как отношение величины тока силовой цепи, намагничивающей сердечник трансформатора, к величине выпрямленного тока рабочей обмотки. На тепловозах применяются трансформаторы постоянного тока с коэффициентами трансформации 350 … 1600.
Трансформатор постоянного тока состоит из двух тороидальных сердечников, выполненных из железо-никелевого сплава (рис.4.32). На каждом из сердечников намотана рабочая обмотка. Рабочие обмотки соединены между собой встречно. Управляющей обмоткой служит один или несколько силовых кабелей к тяговым электродвигателям, пропускаемых через центральное отверстие трансформатора (рис.4.36).

Рис.4.36. Разрез трансформатора постоянного напряжения ТПТ-10
Сердечники с рабочими обмотками и шпильки залиты компаундом на основе эпоксидной смолы. К шпилькам крепятся угольники, с помощью которых трансформатор крепится к тепловозу. Технические характеристики трансформаторов постоянного тока приведены в табл.4.7.
Таблица 4.7. Технические характеристики трансформаторов постоянного тока
Параметр | ТПТ-10 | ТПТ-24 |
Измеряемый ток, А | 2390 | 2000 |
Напряжение питания, В | 15 - 50 | 110 |
Частота напряжения питания, Гц | 4 | 200 |
Длительный ток рабочей обмотки, А | 2,57 | 2,6 |
Сопротивление цепи нагрузки, Ом | 6 | 25 |
Диаметр провода рабочей обмотки, мм | 0,8 | 0,49 |
Число витков рабочей обмотки | 2 х 680 | 2 х 6240 |
4.3.3. Амплистат
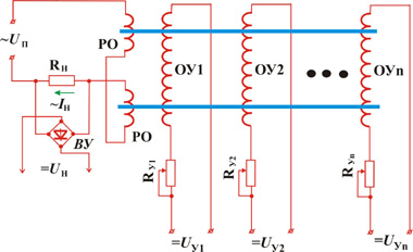
Магнитный усилитель с внутренней, положительной, магнитной связью носит название амплистата, под которым он и известен в схемах автоматики тепловозов (рис.4.37).

Рис.4.37. Схема включения амплистата возбуждения.
Величина тока задающей обмотки (ОЗ) пропорциональна частоте вращения коленчатого вала дизеля и представляет собой задание по мощности при работе тягового генератора в режимах селективной характеристики. Ток обмотки управления (ОУ) пропорционален сумме тока и напряжения тягового генератора. Ток регулировочной обмотки (ОР) определяется положением якоря индуктивного датчика (ИД) объединенного регулятора частоты вращения и мощности дизеля и обеспечивает коррекцию мощности тягового генератора для поддержания постоянной мощности дизеля. По виткам стабилизирующей обмотки (ОС) ток течет только при изменении напряжения возбудителя, т. е. в переходных режимах работы силовой установки; полярность подключения этой обмотки к стабилизирующему трансформатору (ТС) выбирается таким образом, чтобы изменение тока в ней обеспечивало гибкую отрицательную обратную связь по скорости изменения напряжения возбудителя, необходимую для исключения автоколебаний напряжения и тока тягового генератора.
Магнитный сердечник индуктивной катушки амплистата нашихтован из П-образных с уширенным ярмом пластин холоднокатаной электротехнической стали 3411. Сердечник стягивается угольниками. На каждом сердечнике располагается по одной рабочей обмотке переменного тока (рис.4.38).

Рис.4.38. Деталировка амплистата АВ-3А
Четыре обмотки подмагничивания: управляющая ОУ, задающая ОЗ, регулировочная ОР и стабилизирующая ОС - обхватывают оба магнитных сердечника, причем управляющая обмотка обязательно включена встречно другим. Катушки залиты эпоксидным компаундом. При изменении тока в обмотках подмагничивания меняется индуктивное сопротивление, а значит, и ток в рабочих обмотках. Выводы обмоток амплистата вынесены на отдельную изоляционную колодку.



